在如图所示的电路中.平行板电容器MN两极板竖直放置.板和长与宽都远大于板间距d.极板M在紫外线照射能发射光电子.电路中安培表有示数.闭合开关S.移动滑片P增加MN间的反向电压至大小为U.可使安培表的示数恰为零.断开开关S.在MN间加一垂直纸面的水平匀强磁场也能使安培表的示数为零.问所加匀强磁场的磁感应强度至少为多少?已知电子电量为e.质量为m. 查看更多

 

题目列表(包括答案和解析)

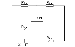
如图所示的电路中,平行板电容器极板水平放置, 板间有一质量为m的带电油滴悬浮在两极板间静止不动。要使油滴向上运动,可采取的方法是[   ]

A、只把电阻R1阻值调大;

B、把电阻R2阻值调大;

C、把电阻R3阻值调大;

D、只把电阻R4阻值调大。

 

查看答案和解析>>

如图所示的电路中,平行板电容器极板水平放置, 板间有一质量为m的带电油滴悬浮在两极板间静止不动。要使油滴向上运动,可采取的方法是[   ]

A、只把电阻R1阻值调大;

B、把电阻R2阻值调大;

C、把电阻R3阻值调大;

D、只把电阻R4阻值调大。

 

查看答案和解析>>

如图所示的电路中,平行板电容器极板水平放置, 板间有一质量为m的带电油滴悬浮在两极板间静止不动。要使油滴向上运动,可采取的方法是:[   ]

A、只把电阻R1阻值调大;

B、把电阻R2阻值调大;

C、把电阻R3阻值调大;

D、只把电阻R4阻值调大。

 

查看答案和解析>>

如图所示的电路中,平行板电容器的极板水平放置,板间有一质量为m的带电油滴悬浮在两板间静止不动,要使油滴向下运动,下列所采用的办法可行的是:[   ]

A、将R1的阻值调大;

B、将R1的阻值调小;

C、将R2的阻值调大;

D、将R3的阻值调大。

查看答案和解析>>

如图所示的电路中,平行板电容器的极板水平放置,板间有一质量为m的带电油滴悬浮在两板间静止不动,要使油滴向下运动,下列所采用的办法可行的是:[   ]

 

A、将R1的阻值调大;

B、将R1的阻值调小;

C、将R2的阻值调大;

D、将R3的阻值调大。

 

查看答案和解析>>


同步练习册答案