(1) ① . ② . ③ . 0.6 15 3 3 - - - - + + mA A V R (2) 查看更多

 

题目列表(包括答案和解析)

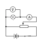
某同学测绘标有“3.8 V,0.3 A”的小灯泡的灯丝电阻R随电压U变化的图象.除了导线和开关外,有以下一些器材可供选择:

电流表:A1(量程100 mA,内阻约2 Ω);

A2(量程0.6 A,内阻约0.3 Ω);

电压表:V1(量程5 V,内阻约5 kΩ)

V2(量程15 V,内阻约15 kΩ )

电源:E(电动势为4 V,内阻约为0.04 Ω).

滑动变阻器R(最大阻值约为10 Ω),电键S,导线若干.

实验电路图如下

(1)为了调节方便,测量准确,实验中应选用电流表_______,电压表_______(填器材的符号)

(2)根据实验数据,计算并描绘出R-U的图象如图所示.由图象可知,当所加电压为3.00 V时,灯丝电阻为_______Ω,灯泡实际消耗的电功率为_______W.

查看答案和解析>>

某同学用图所示电路,测绘标有“3.8 V,0.3 A”的小灯泡的灯丝电阻R随电压U变化的图象.①除了导线和开关外,有以下一些器材可供选择:

电流表:A1:(量程100 mA,内阻约2Ω );A2:(量程0.6 A,内阻约0.3Ω );

电压表:V1(量程5 V,内阻约5KΩ );V2(量程15 V,内阻约15KΩ );

滑动变阻器:R1(阻值范围0~10Ω)

滑动变阻器:R2(阻值范围0~2KΩ)

电源:E1(电动势为1.5 V,内阻为0.2Ω  );

E2(电动势为4 V,内阻约为0.04Ω  ).为了调节方便,测量准确,实验中应选用电流表__________,电压表________,滑动变阻器________,电源_____________.(填器材的符号)

②根据实验数据,计算并描绘出R-U的图象如图所示.由图象可知,此灯泡在不不作时,灯丝电阻为___________Ω;当所加电压为3.00 V时,灯丝电阻为____________Ω,灯泡实际消耗的电功率为__________W.

③根据原理图连接好实物图

④根据R-U图象,可确定小灯泡耗电功率P与外加电压U的关系.符合该关系的示意图是下列图中的__________.

 

查看答案和解析>>

某同学用图中所示电路,测绘标有“3.8 V,0.3 A”的小灯泡的灯丝电阻R随电压U变化的图象.①除了导线和开关外,有以下一些器材可供选择:

电流表:A1:(量程100 mA,内阻约2Ω );  A2:(量程0.6 A,内阻约0.3Ω ); 电压表:V1(量程5 V,内阻约5KΩ ); V2(量程15 V,内阻约15KΩ );滑动变阻器:R1(阻值范围0~10Ω)滑动变阻器:R2(阻值范围0~2KΩ)

电源:E1(电动势为1.5 V,内阻为0.2Ω  );E2(电动势为4 V,内阻约为0.04Ω  ).

     

①为了调节方便,测量准确,实验中应选用电流表___,电压表___,滑动变阻器___,电源___.(填器材的符号)

②根据实验数据,计算并描绘出R-U的图象如图所示.由图象可知,此灯泡在不工作时,灯丝电阻为_______Ω;当所加电压为3.00 V时,灯丝电阻为_______Ω,灯泡实际消耗的电功率为______W.

③根据原理图连接好实物图

④根据R-U图象,可确定小灯泡耗电功率P与外加电压U的关系.符合该关系的示意图是下列图中的__________.

 

 

查看答案和解析>>

某同学用图中所示电路,测绘标有“3.8 V,0.3 A”的小灯泡的灯丝电阻R随电压U变化的图象.①除了导线和开关外,有以下一些器材可供选择:
电流表:A1:(量程100 mA,内阻约2Ω );  A2:(量程0.6 A,内阻约0.3Ω ); 电压表:V1(量程5 V,内阻约5KΩ ); V2(量程15 V,内阻约15KΩ );滑动变阻器:R1(阻值范围0~10Ω)滑动变阻器:R2(阻值范围0~2KΩ)
电源:E1(电动势为1.5 V,内阻为0.2Ω  );E2(电动势为4 V,内阻约为0.04Ω  ).
     
①为了调节方便,测量准确,实验中应选用电流表___,电压表___,滑动变阻器___,电源___.(填器材的符号)
②根据实验数据,计算并描绘出R-U的图象如图所示.由图象可知,此灯泡在不工作时,灯丝电阻为_______Ω;当所加电压为3.00 V时,灯丝电阻为_______Ω,灯泡实际消耗的电功率为______W.
③根据原理图连接好实物图
④根据R-U图象,可确定小灯泡耗电功率P与外加电压U的关系.符合该关系的示意图是下列图中的__________.

查看答案和解析>>

某同学用图中所示电路,测绘标有“3.8 V,0.3 A”的小灯泡的灯丝电阻R随电压U变化的图象.①除了导线和开关外,有以下一些器材可供选择:
电流表:A1:(量程100 mA,内阻约2Ω );  A2:(量程0.6 A,内阻约0.3Ω ); 电压表:V1(量程5 V,内阻约5KΩ ); V2(量程15 V,内阻约15KΩ );滑动变阻器:R1(阻值范围0~10Ω)滑动变阻器:R2(阻值范围0~2KΩ)
电源:E1(电动势为1.5 V,内阻为0.2Ω  );E2(电动势为4 V,内阻约为0.04Ω  ).
     
①为了调节方便,测量准确,实验中应选用电流表___,电压表___,滑动变阻器___,电源___.(填器材的符号)
②根据实验数据,计算并描绘出R-U的图象如图所示.由图象可知,此灯泡在不工作时,灯丝电阻为_______Ω;当所加电压为3.00 V时,灯丝电阻为_______Ω,灯泡实际消耗的电功率为______W.
③根据原理图连接好实物图
④根据R-U图象,可确定小灯泡耗电功率P与外加电压U的关系.符合该关系的示意图是下列图中的__________.

查看答案和解析>>


同步练习册答案