10.某同学通过实验研究一个小灯泡灯丝的伏安特性.下表是他在实验时获得的通过灯泡的电流I和灯泡两端电压U的一系列数据. I/A 0 0.08 0.14 0.18 0.23 0.31 0.36 0.39 0.42 0.44 0.46 0.49 U/V 0 0.38 0.69 0.90 1.15 1.60 2.15 2.50 3.05 3.60 4.15 5.15 ⑴请在坐标图中描绘出这个小灯泡的U-I图线. ⑵请比较电压为1.0V与3.0V时小灯泡的电阻 大小.并说明其原因. ⑶实验前.实验室里有下列器材.这位同学在 实验过程中选用的是 . A.直流电源 B.0-30Ω的滑动变阻器 C.电压表 D.电压表 E.电流表 F.电流表 G.开关 H.导线 ⑷实验时.这位同学应选用下列所所示的电路图 . 查看更多

 

题目列表(包括答案和解析)

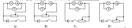
某同学通过实验研究一个小灯泡灯丝的伏安特性,如表是他在实验时获得的通过灯泡的电流I和灯泡两端电压U的一系列数据.

I/A 0 0.08 0.14 0.18 0.23 0.31 0.36 0.39 0.42 0.44 0.46 0.49
U/V 0 0.38 0.69 0.90 1.15 1.60 2.15 2.50 3.05 3.60 4.15 5.15
(1)请在坐标图中描绘出这个小灯泡的U-I图线.
(2)请比较电压为1.0V与3.0V时小灯泡的电阻大小,并说明其原因.
(3)实验前,实验室里有下列器材,这位同学在实验过程中选用的是(填写字母代号)
ABDEGH
ABDEGH

A.直流电源                          B.0~30Ω的滑动变阻器
C.电压表(0~15V,内阻约15kΩ)     D.电压表(0~6V,内阻约3kΩ)
E.电流表(0~0.6A,内阻约0.1Ω)    F.电流表(0~3A,内阻约0.01Ω)
G.开关                              H.导线
(4)实验时,这位同学应选用下列所所示的电路图
B
B

查看答案和解析>>

某同学通过实验研究一个小灯泡灯丝的伏安特性,下表是他在实验时获得的通过灯泡的电流I和灯泡两端电压U的一系列数据。

I/A

0

0.14

0.23

0.36

0.42

0.46

0.49

U/V

0

0.69

1.15

2.15

3.05

4.15

5.15

(1)请在坐标图中描绘出这个小灯泡的U-I图线。

(2)请比较电压为1.0V与3.0V时小灯泡的电阻大  小,并说明其原因。

(3)实验前,实验室里有下列器材,这位同学在实验过程中选用的是(填字母代号)          

A.直流电源                         

B.0~30Ω的滑动变阻器

C.电压表(0~15V,内阻约15kΩ)   

D.电压表(0~3V,内阻约3kΩ)

E.电流表(0~0.6A,内阻约0.1Ω)   

F.电流表(0~3A,内阻约0.01Ω)

G.开关                             

H.导线

(4)实验时,这位同学应选用下列所示的电路图            

 

查看答案和解析>>

某同学通过实验研究一个小灯泡灯丝的伏安特性,下表是他在实验时获得的通过灯泡的电流I和灯泡两端电压U的一系列数据。

I/A
0
0.14
0.23
0.36
0.42
0.46
0.49
U/V
0
0.69
1.15
2.15
3.05
4.15
5.15
(1)请在坐标图中描绘出这个小灯泡的U-I图线。

(2)请比较电压为1.0V与3.0V时小灯泡的电阻大 小,并说明其原因。
(3)实验前,实验室里有下列器材,这位同学在实验过程中选用的是(填字母代号)          
A.直流电源                         
B.0~30Ω的滑动变阻器
C.电压表(0~15V,内阻约15kΩ)   
D.电压表(0~3V,内阻约3kΩ)
E.电流表(0~0.6A,内阻约0.1Ω)   
F.电流表(0~3A,内阻约0.01Ω)
G.开关                             
H.导线
(4)实验时,这位同学应选用下列所示的电路图            

查看答案和解析>>

某同学通过实验研究一个小灯泡灯丝的伏安特性,下表是他在实验时获得的通过灯泡的电流I和灯泡两端电压U的一系列数据。

I/A

0

0.14

0.23

0.36

0.42

0.46

0.49

U/V

0

0.69

1.15

2.15

3.05

4.15

5.15

(1)请在坐标图中描绘出这个小灯泡的U-I图线。

(2)请比较电压为1.0V与3.0V时小灯泡的电阻大  小,并说明其原因。

(3)实验前,实验室里有下列器材,这位同学在实验过程中选用的是(填字母代号)          

A.直流电源                         

B.0~30Ω的滑动变阻器

C.电压表(0~15V,内阻约15kΩ)   

D.电压表(0~3V,内阻约3kΩ)

E.电流表(0~0.6A,内阻约0.1Ω)   

F.电流表(0~3A,内阻约0.01Ω)

G.开关                              

H.导线

(4)实验时,这位同学应选用下列所示的电路图            

 

查看答案和解析>>

某同学通过实验研究一个小灯泡灯丝的伏安特性,下表是他在实验时获得的通过灯泡的电流I和灯泡两端电压U的一系列数据。
I/A
0
0.14
0.23
0.36
0.42
0.46
0.49
U/V
0
0.69
1.15
2.15
3.05
4.15
5.15
(1)请在坐标图中描绘出这个小灯泡的U-I图线。

(2)请比较电压为1.0V与3.0V时小灯泡的电阻大 小,并说明其原因。
(3)实验前,实验室里有下列器材,这位同学在实验过程中选用的是(填字母代号)          
A.直流电源                         
B.0~30Ω的滑动变阻器
C.电压表(0~15V,内阻约15kΩ)   
D.电压表(0~3V,内阻约3kΩ)
E.电流表(0~0.6A,内阻约0.1Ω)   
F.电流表(0~3A,内阻约0.01Ω)
G.开关                             
H.导线
(4)实验时,这位同学应选用下列所示的电路图            

查看答案和解析>>


同步练习册答案