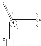
如图所示. 滑轮的质量忽略不计.滑轮轴O安在一根轻木杆B上.一根轻绳AC绕过滑轮.A端固定在墙上.且绳保持水平.C 端下面挂一个重物.BO与竖直方向夹角θ=45°.系统保持平衡.若保持滑轮的位置不变.改变θ的大小.则滑轮受到木杆的弹力大小变化情况是 A.只有角θ变小.弹力才变小 B. 只有角θ变大.弹力才变小 C.不论角θ变大或变小.弹力都变大 D.不论角θ变大或变小.弹力都不变 查看更多

 

题目列表(包括答案和解析)

如图所示,滑轮本身的质量忽略不计,滑轮O安装在一根轻木杆BO上,一根轻绳AC绕过滑轮,A端固定在墙上,且绳AB段保持水平.C端挂一重物,BO与竖直方向θ=45°,系统保持平衡.若保持滑轮的位置不变,改变θ角的大小,则滑轮受到细绳的弹力大小变化情况是(  )

查看答案和解析>>

如图所示,滑轮本身的质量可忽略不计,滑轮轴O安在一根轻木杆B上,一根轻绳AC绕过滑轮,A端固定在墙上,且绳保持水平,C端挂一重物,BO与竖直方向夹角θ=45°,系统保持平衡.若保持滑轮的位置不变,改变θ的大小,则滑轮受到木杆作用力大小变化情况是

(A) 只有角θ变小,作用力才变大. 

(B) 只有角θ变大,作用力才变大.

(C) 不论角θ变大或变小,作用力都是变大.

(D) 不论角θ变大或变小,作用力都不变.

 

查看答案和解析>>

如图所示,滑轮本身的质量忽略不计,滑轮O安装在一根轻木杆BO上,一根轻绳AC绕过滑轮,A端固定在墙上,且绳AB段保持水平.C端挂一重物,BO与竖直方向θ=45°,系统保持平衡.若保持滑轮的位置不变,改变θ角的大小,则滑轮受到细绳的弹力大小变化情况是(  )
A.只有θ变小,弹力才变大
B.只有θ变大,弹力才变大
C.不论θ变小或变大,弹力都变大
D.不论θ如何变化,弹力都不变
精英家教网

查看答案和解析>>

如图所示,滑轮本身的质量可忽略不计,滑轮轴O安在一根轻木杆B上,一根轻绳AC绕过滑轮,A端固定在墙上,且绳保持水平,C端挂一重物,BO与竖直方向夹角θ=45°,系统保持平衡.若保持滑轮的位置不变,改变θ的大小,则滑轮受到木杆作用力大小变化情况是(  )
A.只有角θ变小,作用力才变大
B.只有角θ变大,作用力才变大
C.不论角θ变大或变小,作用力都是变大
D.不论角θ变大或变小,作用力都不变
精英家教网

查看答案和解析>>

如图所示,滑轮本身的质量可忽略不计,滑轮轴O安在一根轻木杆B上,一根轻绳AC绕过滑轮,A端固定在墙上,且绳保持水平,C端挂一重物,BO与竖直方向夹角θ=45°,系统保持平衡.若保持滑轮的位置不变,改变θ的大小,则滑轮受到木杆作用力大小变化情况是( )
A.只有角θ变小,作用力才变大
B.只有角θ变大,作用力才变大
C.不论角θ变大或变小,作用力都是变大
D.不论角θ变大或变小,作用力都不变

查看答案和解析>>


同步练习册答案