如图abc是一条滑雪道.在c处与一竖直放置光滑圆环轨道cde平滑连接.其中ab段是水平的.bc段是与水平面成θ=37°的倾斜雪道.bc长s=30.75m.竖直圆环半径R=5m.最高点d与c及圆环中心O在同一竖直线上.现有质量为m=60kg的技巧滑雪运动员做表演.他以V0=10m/s的水平速度从b点滑出.落在倾斜雪道上时.运动员靠改变姿势进行缓冲使自己只保留沿斜面的分速度而不弹起.除缓冲过程外.运动员可视为质点.设滑雪板与雪道间的动摩擦因数μ=0.1.求运动员经d点时轨道对他的作用力.(取g=10m/s2. Sin 37°=0.6.Cos 37°=0.8) 查看更多

 

题目列表(包括答案和解析)

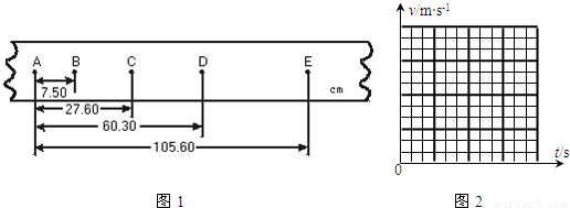
在研究匀变速直线运动的实验中,如图1是一条记录小车运动情况的纸带,并在其上取了A、B、C、D、E 5个计数点,每相邻两个计数点之间还有4个点图中没有画出,电火花计时器接在220V、50Hz的交流电源.

(1)由纸带上的数据计算vB=
1.38
1.38
 m/s,vC=
2.64
2.64
 m/s,vD=
3.90
3.90
 m/s;
(2)在图2所示坐标中作出小车的v-t图线,并根据图线求出a=
13.0
13.0
 m/s2.(此题计算结果均保留三位有效数字)

查看答案和解析>>

在研究匀变速直线运动的实验中,如图1是一条记录小车运动情况的纸带.图中A、B、C、D、E为相邻点,已知打点的时间间隔T=0.02s?

(1)由纸带上的数据计算vB=
6.90
6.90
 m/s,vC=
13.2
13.2
 m/s,vD=
19.5
19.5
 m/s.
(2)在图2所示坐标中作出小车的v-t图线,并根据图线求出a=
7.88
7.88
 m/s2.?
(此题计算结果均保留三位有效数字)

查看答案和解析>>

在研究匀变速直线运动的实验中,如图1是一条记录小车运动情况的纸带,并在其上取了A、B、C、D、E 5个计数点,每相邻两个计数点之间还有4个点图中没有画出,电火花计时器接在220V、50Hz的交流电源.

(1)由纸带上的数据计算vB=______ m/s,vC=______ m/s,vD=______ m/s;
(2)在图2所示坐标中作出小车的v-t图线,并根据图线求出a=______ m/s2.(此题计算结果均保留三位有效数字)

查看答案和解析>>

在研究匀变速直线运动的实验中,如图1是一条记录小车运动情况的纸带.图中A、B、C、D、E为相邻点,已知打点的时间间隔T=0.02s

(1)由纸带上的数据计算vB=______ m/s,vC=______ m/s,vD=______ m/s.
(2)在图2所示坐标中作出小车的v-t图线,并根据图线求出a=______ m/s2
(此题计算结果均保留三位有效数字)

查看答案和解析>>

在研究匀变速直线运动的实验中,如图1是一条记录小车运动情况的纸带,并在其上取了A、B、C、D、E 5个计数点,每相邻两个计数点之间还有4个点图中没有画出,电火花计时器接在220V、50Hz的交流电源.

(1)由纸带上的数据计算vB=______ m/s,vC=______ m/s,vD=______ m/s;
(2)在图2所示坐标中作出小车的v-t图线,并根据图线求出a=______ m/s2.(此题计算结果均保留三位有效数字)

查看答案和解析>>


同步练习册答案