如图1所示.改变R的阻值.从电压表和电流表中读出几组I.U值.利用闭合电路的欧姆定律求出几组E.r值.最后分别算出它们的平均值.此外.还可以用作图法来处理数据.即在坐标纸上以I为横坐标.U为纵坐标,用测出的几组I.U值画出U-I图象所得直线跟纵轴的交点即为电动势E值,图线斜率的绝对值即为内电阻r的值. 查看更多

 

题目列表(包括答案和解析)

如图1所示,MN、PQ两条平行的光滑金属轨道与水平面成θ=30°角固定,轨距为L=1m,质量为m的金属杆ab放置在轨道上,其阻值忽略不计.空间存在方向垂直于轨道平面向上的匀强磁场,磁感应强度为B=0.5T.P、M间接有阻值R1的定值电阻,Q、N间接变阻箱R.现从静止开始释放金属杆ab,改变变阻箱的阻值R,测得杆的最大速度为vm,得到
1
vm
1
R
的关系如图2所示.若轨道足够长且电阻不计,重力加速度g取l0m/s2.求:
(1)金属杆开始滑动时加速度值;
(2)金属杆质量m和定值电阻R1阻值;
(3)当变阻箱R取4Ω,金属杆ab运动的速度为
vm
2
时,定值电阻R1消耗的电功率.

查看答案和解析>>

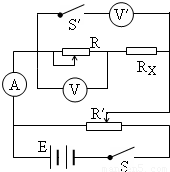
精英家教网如图所示的电路是伏安法测电阻的一种改进电路,请按要求作答.
(1)将下面的实验步骤补充完整:
①将开关S与S′都闭合,仔细调整两个滑动变阻器R与R′的滑片,使得电压表V的读数U等于电压表V′的读数U′的一半;
②保持开关S闭合,
 
,并且在以后的操作过程中滑动变阻器
 
(填“R”或“R′’)的滑片不允许再作调整,观察、记录此时电压表V的读数U以及电流表A的读数I;
③重复步骤①②,测量并记录多组U、I数据.
(2)被测电阻RX测量值的表达式为RX=
 

(3)这种方法得到的测量值RX与真实值R之间的关系,从理论上说应该是Rx
 
R(填“>”、“=”或“<”).

查看答案和解析>>

如图所示的电路是伏安法测电阻的一种改进电路,请按要求作答.
(1)将下面的实验步骤补充完整:
①将开关S与S′都闭合,仔细调整两个滑动变阻器R与R′的滑片,使得电压表V的读数U等于电压表V′的读数U′的一半;
②保持开关S闭合,______,并且在以后的操作过程中滑动变阻器______(填“R”或“R′’)的滑片不允许再作调整,观察、记录此时电压表V的读数U以及电流表A的读数I;
③重复步骤①②,测量并记录多组U、I数据.
(2)被测电阻RX测量值的表达式为RX=______.
(3)这种方法得到的测量值RX与真实值R之间的关系,从理论上说应该是Rx______R(填“>”、“=”或“<”).
精英家教网

查看答案和解析>>

如图(甲),MN、PQ两条平行的光滑金属轨道与水平面成θ = 30°角固定,M、P之间接电阻箱R,电阻箱的阻值范围为0~4Ω,导轨所在空间存在匀强磁场,磁场方向垂直于轨道平面向上,磁感应强度为B = 0.5T。质量为m的金属杆a b水平放置在轨道上,其接入电路的电阻值为r。现从静止释放杆a b,测得最大速度为vm。改变电阻箱的阻值R,得到vmR的关系如图(乙)所示。已知轨距为L = 2m,重力加速度g=l0m/s2,轨道足够长且电阻不计。

(1)当R = 0时,求杆a b匀速下滑过程中产生感生电动势E的大小及杆中的电流方向;

(2)求金属杆的质量m和阻值r

(3)求金属杆匀速下滑时电阻箱消耗电功率的最大值Pm

(4)当R = 4Ω时,求随着杆a b下滑回路瞬时电功率每增大1W的过程中合外力对杆做的功W

查看答案和解析>>

如图所示的电路是伏安法测电阻的一种改进电路,请按要求作答.
(1)将下面的实验步骤补充完整:
①将开关S与S′都闭合,仔细调整两个滑动变阻器R与R′的滑片,使得电压表V的读数U等于电压表V′的读数U′的一半;
②保持开关S闭合,______,并且在以后的操作过程中滑动变阻器______(填“R”或“R′’)的滑片不允许再作调整,观察、记录此时电压表V的读数U以及电流表A的读数I;
③重复步骤①②,测量并记录多组U、I数据.
(2)被测电阻RX测量值的表达式为RX=______.
(3)这种方法得到的测量值RX与真实值R之间的关系,从理论上说应该是Rx______R(填“>”、“=”或“<”).

查看答案和解析>>


同步练习册答案