(如皋市2008届高三一轮复习)如图所示.电源电动势E=6V.电源内阻不计.定值电阻R1=2.4kΩ.R2=4.8kΩ. ⑴ 若在ab之间接一个C=100μF的电容器.闭合开关S.电路稳定后.求电容器上所带的电量, ⑵ 若在ab之间接一个内阻RV = 4.8kΩ的电压表.求电压表的示数. ⑴设电容器上的电压为Uc. 电容器的带电量 解得: Q=4×10-4C ⑵设电压表与R2并联后电阻为R并 则电压表上的电压为: 解得:=3V 14(2008年上海市嘉定区4月模拟)在如图所示电路中.电源电动势E=6 V.内阻不计.小灯L上标有“6V.0.3A 字样.滑动变阻器R1的阻值范围是0-20W.电阻R2上标有“15W.4A .电流表的量程为0-0.6A.甲.乙两同学在讨论滑动变阻器功率的取值范围时. 甲同学认为:由于电流表允许通过的最大电流为0.6A.所以通过R1的最大电流为0.3A.这时滑动变阻器R1两端的电压为U1m=E-I1mR2=1.5V.因此滑动变阻器的最大功率为P1m=I1mU1m=0.45W. 乙同学不同意甲同学的看法.他认为滑动变阻器的功率决定于通过它的电流和它两端的电压的乘积.即P1=I1U1.电流最大时功率未必最大.只有电流.电压的乘积最大时.功率才最大. 你认为甲.乙两位同学中.哪位同学的看法正确.如果你认为甲同学正确.请简述他正确的理由,如果你认为乙同学正确.请求出滑动变阻器R1的最大功率P1m. 答案:乙同学正确.因电源内阻不计.所以L支路可以不用考虑.将R2并入电源.看成一个等效电源.则R1的功率即等效电源的输出功率.则当R1=R2=15W时.R1的功率最大.此时R1两端的电压为U1=E/2=3V.R1的功率为P1m=U1/R1=0.6W(. 15(江苏省淮安市四校2007年度高三第二阶段联考)温度传感器广泛应用于室内空调.电冰箱和微波炉等家用电器中.它是利用热敏电阻的随温度变化而变化的特性工作的.在图甲中.电源的电动势E=9.0V.内电阻可忽略不计,G为灵敏电流表.内阻Rg保持不变,R为热敏电阻.其电阻值与温度变化关系如图乙的R-t图线所示.闭合开关S.当R的温度等于20℃时.电流表示数I1=2mA.则当电流表的示数I2=3.6mA时.热敏电阻R的温度是多少摄氏度? 解析:从图乙查得t=20℃时.R的阻值为4kΩ 由 E=I1 得: 当I2=3.6mA时.热敏电阻的阻值为R'.则: 从图乙查得此时对应的温度为t2=120℃ 查看更多

 

题目列表(包括答案和解析)

如图所示,电源电动势E=8V,内阻不为零,电灯A标有“10V,10W”字样,电灯B标有“8V,20W”字样,滑动变阻器的总电阻为6Ω,当滑动触头Pa端向b端滑动的过程中(不考虑电灯电阻的变化)(    )

       A.电流表的示数一直增大,电压表的示数一直减小

       B.电流表的示数一直减小,电压表的示数一直增大

       C.电流表的示数先增大后减小,电压表的示数先减小后增大

       D.电流表的示数先减小后增大,电压表的示数先增大后减小

 

查看答案和解析>>

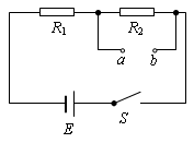
如图所示,电源电动势E=6V,电源内阻不计.定值电阻R1=2.4kΩ、R2="4.8kΩ."
【小题1】若在ab之间接一个C=100μF的电容器,闭合开关S,电路稳定后,求电容器上所带的电量;

【小题2】 若在ab之间接一个内阻RV = 4.8kΩ的电压表,求电压表的示数.

查看答案和解析>>

如图所示,电源电动势E=6V,电源内阻不计。定值电阻R1=2.4kΩ、R2=4.8kΩ。

⑴ 若在ab之间接一个C=100μF的电容器,闭合开关S,电路稳定后,求电容器上所带的电量;

(2)若在ab之间接一个内阻RV = 4.8kΩ的电压表,求电压表的示数

 

查看答案和解析>>

如图所示,电源电动势E=10 V,内阻r=0.5 Ω,“8 V,16 W”的灯泡恰好能正常发光,电动机M绕组的电阻R0=1 Ω,求:

1.路端电压;

2.电源的总功率;

3.电动机的输出功率.

 

查看答案和解析>>

如图所示,电源电动势E=2 V,内电阻r=0.5 Ω,竖直导轨电阻可忽略,金属棒的质量m=0.1 kg,电阻R=0.5 Ω,它与导轨的动摩擦因数μ=0.4, 有效长度为L=0.2 m,为了使金属棒能够靠在导轨外面静止不动,我们施一与纸面成30°角向里且与金属棒垂直的磁场,问磁场方向是斜向上还是斜向下?磁感应强度B的范围是多大?(g=10 m/s2)

 

查看答案和解析>>


同步练习册答案