15.如图所示.电源电动势E=18V.内阻r=2Ω.两平行金属板水平放置.相距d=2cm.当变阻器R2的滑片P恰好移到中点时.一带电量q=-2×10-7C的液滴刚好静止在电容器两板的正中央.此时电流表的读数为1A.已知定值电阻R1=6Ω.求: (1)带电液滴的质量(取g=10m/s2). (2)当把滑动变阻器的滑动片P迅速移到C点后.液滴将做何种运动.求出必需的物理量. (3)液滴到达极板时的动能多大? 查看更多

 

题目列表(包括答案和解析)

如图所示,电源的电动势E=18V,电阻R1=8Ω,电动机绕组的电阻R0=0.5Ω,电键S1始终闭合.当电键S2断开时,电阻R1的电功率是32W;当电键S2闭合时,电阻R1的电功率是8W,求:
(1)电源的内电阻;
(2)当电键S2闭合时流过电源的电流和电动机的输出功率.

查看答案和解析>>

(12分)如图所示,电源的电动势E=18V,电阻R1=8Ω,电动机绕组的电阻R0=0.5Ω,电键S1始终闭合。当电键S2断开时,电阻R1的电功率是32W;当电键S2闭合时,电阻R1的电功率是8W,求:

   

(1)电源的内电阻;

(2)当电键S2闭合时流过电源的电流和电动机的输出功率。

查看答案和解析>>

如图所示的电路中,电源的电动势E=18V,内电阻r=1Ω,定值电阻R1=5Ω,R3=6Ω,水平放置的平行板电容器相距d=2mm.开关S闭合时,电流表示数为I=2A,这时金属板间电荷量为q=8.0×10-7C的油滴恰好静止不动.试分析计算:(g=10m/s2
(1)定值电阻R2的阻值为多大?
(2)油滴的质量为多大?
(3)S断开后,油滴将如何运动?并说明理由.

查看答案和解析>>

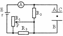
(10分) 如图所示电路中,电源电动势E=18V,内阻r=1Ω,外电路中电阻R2=5Ω,R3=6Ω,平行板间距d=2cm,当滑动变阻器的滑动头P位于中点时,电流表的示数为2A,平行板间静止悬浮着一个电量q=8×10-7C带负电的微粒,(g=10m/s2 )试求

(1)滑动变组器R1的总阻值;

(2)微粒的质量;

(3)上、下调节滑动头P时微粒的最大加速度

查看答案和解析>>

如图所示电路,电源电动势E=18V,内阻r=1Ω,两平行金属板水平放置,相距d=2cm,当变阻器滑片P恰好在的中点时,一电荷量为的油滴恰好处于静止状态,此时电流计的示数为2A(g取).求:

(1)变阻器的总阻值;

(2)带电油滴的质量;

(3)当滑片P处于什么位置时,油滴获得向上的最大加速度?加速度是多大?

查看答案和解析>>


同步练习册答案