如图甲用游标为50分度的卡尺测定某圆柱的直径时.卡尺上的示数如图.可读出圆柱的直径为 cm.如图乙是用螺旋测微器测某工件的厚度.则工件的厚度为 mm. (乙) 如图所示为接在50 Hz低压交流电源上的打点计时器在纸带做匀加速直线运动时打出的一条纸带.图中所标的是每5个计时点取一个计数点A.B.D.E等.但第三个计数点C未标出.由图中给出的数据计算纸带运动的加速度公式是a= .其计算值是 m/s2,在打下计数点B时.纸带运动的瞬时速度 vB= m/s.(其中用s1表示A.B间距离.用s4表示D.E间距离.结果保留3位有效数字) 物理试卷-3- 查看更多

 

题目列表(包括答案和解析)

如图甲用游标为50分度的卡尺(测量值可准确到0.02mm)测定某圆柱的直径时,卡尺上的示数如图.可读出圆柱的直径为
4.220
4.220
cm.如图乙是用螺旋测微器测某工件的厚度,则工件的厚度为
10.295
10.295
mm.

查看答案和解析>>

用游标为50分度的卡尺测量一圆柱体的长度与直径,结果分别如图5-1-5(甲)(乙)所示.由图可知其长度为_____________,直径为___________.

图5-1-5

查看答案和解析>>

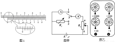
①用游标为50分度的卡尺测量某圆筒的外径时,卡尺上的示数如图1所示,可读出圆筒的外径为______ mm.
②用替代法测毫安表内电阻的电路如图甲所示.器材:待测毫安表A(量程0~10mA,内阻RA约为30Ω);毫安表A′(量程30mA);电阻箱R1(0~9999Ω);滑动变阻器R2(O~500Ω);电源(E=3V,r约为1~2Ω).

精英家教网

a.滑动变阻器滑片P在实验开始前应放在______端 (填“a“或“b“).将单刀双掷开关S先接“1”位置,调节滑动变阻器滑片P的位置,使待测毫安表A的指针至某位置(或满偏),记下此时毫安表A′的读数I.滑片P的位置不再移动;
b.将开关S接“2”位置,调节电阻箱使______,读出此时电阻箱的读数如图乙所示(记为R1),则R1=______Ω;
c.由以上实验可知,待测毫安表A的内电阻RA=______Ω.

查看答案和解析>>

用游标为50分度的卡尺测量某圆筒的外径时,卡尺上的示数如图所示,可读出圆筒的外径为___________ mm.

用替代法测毫安表内电阻的电路如图甲所示.器材:待测毫安表A(量程0~10mA,内阻RA约为30Ω);毫安表A′(量程30mA);电阻箱R1(0~9999Ω);滑动变阻器R2(O~500Ω);电源(E=3V,r约为1~2Ω).

a.滑动变阻器滑片P在实验开始前应放在    端 (填"a"或"b") .将单刀双掷开关S先接“1”位置,调节滑动变阻器滑片P的位置,使待测毫安表A的指针至某位置(或满偏),记下此时毫安表A′ 的读数.滑片P的位置不再移动;

b.将开关S接“2”位置,调节电阻箱使                   ,读出此时电阻箱的读数如图乙所示(记为R1),则R1=     ;

c.由以上实验可知,待测毫安表A的内电阻RA=      


查看答案和解析>>

①用游标为50分度的卡尺测量某圆筒的外径时,卡尺上的示数如图1所示,可读出圆筒的外径为______ mm.
②用替代法测毫安表内电阻的电路如图甲所示.器材:待测毫安表A(量程0~10mA,内阻RA约为30Ω);毫安表A′(量程30mA);电阻箱R1(0~9999Ω);滑动变阻器R2(O~500Ω);电源(E=3V,r约为1~2Ω).

a.滑动变阻器滑片P在实验开始前应放在______端 (填“a“或“b“).将单刀双掷开关S先接“1”位置,调节滑动变阻器滑片P的位置,使待测毫安表A的指针至某位置(或满偏),记下此时毫安表A′的读数I.滑片P的位置不再移动;
b.将开关S接“2”位置,调节电阻箱使______,读出此时电阻箱的读数如图乙所示(记为R1),则R1=______Ω;
c.由以上实验可知,待测毫安表A的内电阻RA=______Ω.

查看答案和解析>>


同步练习册答案