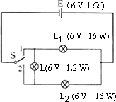
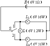
4.某同学设计了一个转向灯电路如图10-4.其中L为指示灯.L1.L2分别为左.右转向灯.S为单刀双掷开关.E为电源.当S置于位置1时.以下判断正确的是 A.L的功率小于额定功率 B.L1亮.其功率等于额定功率 C.L2亮.其功率等于额定功率 D.含L支路的总功率较另一支路的大 查看更多

 

题目列表(包括答案和解析)

某同学设计了一个转向灯电路(如图),其中L为指示灯,L1、L2分别为左、右转向灯,S为单刀双掷开关,E为电源.当S置于位置1时,以下判断正确的是

[  ]

A.L的功率小于额定功率

B.L1亮,其功率等于额定功率

C.L2亮,其功率等于额定功率

D.含L支路的总功率较另一支路的大

查看答案和解析>>

某同学设计了一个转向灯电路(如图),其中L为指示灯,分别为左、右转向灯,S为单刀双掷开关,E为电源。当S置于位置1时,以下判断正确的是(    )

A.L的功率少于额定功率

B.亮,其功率等于额定功率

C.亮,其功率等于额定功率

D.含L支路的总功率较另一支路的大

查看答案和解析>>

某同学设计了一个转向灯电路,如图所示,其中L为指示灯,L1L2分别为左、右转向灯,S为单刀双掷开关,E为电源。当S置于位置1时,以下判断正确的是   (      )

A.L的功率小于额定功率

B.L1亮,其功率等于额定功率

C.L2亮,其功率等于额定功率

D.含L支路的总功率较另一支路的大

 

查看答案和解析>>

某同学设计了一个转向灯电路(如图),其中L为指示灯,L1、L2分别为左、右转向灯,S为单刀双掷开关,E为电源.当S置于位置1时,以下判断正确的是(  )
A.L的功率小于额定功率
B.L1亮,其功率等于额定功率
C.L2亮,其功率等于额定功率
D.含L支路的总功率较另一支路的大
精英家教网

查看答案和解析>>

某同学设计了一个转向灯电路(如图),其中L为指示灯,L1、L2分别为左、右转向灯,S为单刀双掷开关,E为电源.当S置于位置1时,以下判断正确的是( )
A.L的功率小于额定功率
B.L1亮,其功率等于额定功率
C.L2亮,其功率等于额定功率
D.含L支路的总功率较另一支路的大

查看答案和解析>>


同步练习册答案