4.如图8-2-1所示.带有活塞的气缸中封闭一定质量的理想气体.将一个半导体NTC热敏电阻R置于气缸中.热敏电阻与容器外的电源E和电流表 组成闭合回路.气缸和活塞具有良好的绝热性能.若发现电流表的读数增大时.以下判断正确的是( ) A.气体内能一定增大 B.气体体积一定增大 C.气体一定对外做功 D.气体压强一定减小 查看更多

 

题目列表(包括答案和解析)

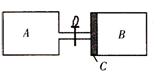
精英家教网如图所示,导热材料制成的截面积相等,长度均为45cm的气缸A、B通过带有阀门的管道连接.初始时阀门关闭,厚度不计的光滑活塞C位于B内左侧,在A内充满压强PA=2.8×105Pa的理想气体,B内充满压强PB=1.4×105Pa的理想气体,忽略连接气缸的管道体积,室温不变.现打开阀门,求:
①平衡后活塞向右移动的距离和B中气体的压强
②自打开阀门到平衡,B内气体是吸热还是放热(简要说明理由).

查看答案和解析>>

如图所示,导热材料制成的截面积相等,长度均为45cm的气缸A、B通过带有阀门的管道连接.初始时阀门关闭,厚度不计的光滑活塞C位于B内左侧,在A内充满压强PA=2.8×105Pa的理想气体,B内充满压强

PB=1.4×105Pa的理想气体,忽略连接气缸的管道体积,室温不变.现打开阀门,求:

①平衡后活塞向右移动的距离和B中气体的压强;

②自打开阀门到平衡,B内气体是吸热还是放热(简要说明理由)

查看答案和解析>>

[物理——选修3-3](15分)

(1)(5分)带有活塞的气缸内封闭一定量的理想气体. 气体开始处于状态a,然后经过过程ab到达状态b或经过过程ac到达状态cbc状态温度相同,如V-T图所示. 设

气体在状态b和状态c的压强分别为pbpc,在过程abac中吸收的热量分别为QabQac,则 _____(填入选项前的字母,有填错的不得分)

A.pbpcQabQac         B.pbpcQabQac

C.pbpcQabQac         D.pbpcQabQac

(2)(10分)图中系统由左右两个侧壁绝热、底部导热、截面均为S的容器组成。左容器足够高,上端敞开,右容器上端由导热材料封闭。两容器的下端由可忽略容积的细管连通。

容器内两个绝热的活塞AB下方封有氮气,B上方封有氢气. 大气的压强为p0,温度为T0=273 K,两活塞因自身重量对下方气体产生的附加压强均为0.1 p0。系统平衡时,各气柱的高度如图所示。现将系统底部浸入恒温热水槽中,再次平衡时A上升了一定高度。用外力将A缓慢推回第一次平衡时的位置并固定,第三次达到平衡后,氢气柱高度为0.8 h。氮气和氢气均可视为理想气体。求:

(i)第二次平衡时氮气的体积;(ii)水的温度。

 

查看答案和解析>>

模块3-3试题

(1)(4分)带有活塞的汽缸内封闭一定量的理想气体。气体开始处于状态a,然后经过过程ab到达状态b或进过过程ac到状态c,b、c状态温度相同,如V-T图所示。设气体在状态b和状态c的压强分别为Pb、和PC,在过程ab和ac中吸收的热量分别为Qab和Qac,则         (填入选项前的字母,有填错的不得分)

A. Pb >Pc,Qab>Qac

B. Pb >Pc,Qab<Qac

C. Pb <Pc,Qab>Qac

D. Pb <Pc,Qab<Qac

 (2)(8分)图中系统由左右连个侧壁绝热、底部、截面均为S的容器组成。左容器足够高,上端敞开,右容器上端由导热材料封闭。两个容器的下端由可忽略容积的细管连通。

容器内两个绝热的活塞A、B下方封有氮气,B上方封有氢气。大气的压强p0,温度为T0=273K,连个活塞因自身重量对下方气体产生的附加压强均为0.1 p0。系统平衡时,各气体柱的高度如图所示。现将系统的底部浸入恒温热水槽中,再次平衡时A上升了一定的高度。用外力将A缓慢推回第一次平衡时的位置并固定,第三次达到平衡后,氢气柱高度为0.8h。氮气和氢气均可视为理想气体。求

(i)第二次平衡时氮气的体积;

(ii)水的温度。  

查看答案和解析>>

[物理——选修3-3]

(1)带有活塞的气缸内封闭一定量的理想气体. 气体开始处于状态a,然后经过过程ab到达状态b或经过过程ac到达状态cbc状态温度相同,如V-T图所示. 设

气体在状态b和状态c的压强分别为pbpc,在过程abac中吸收的热量分别为QabQac,则 _____(填入选项前的字母,有填错的不得分)

A.pbpcQabQac         B.pbpcQabQac

C.pbpcQabQac         D.pbpcQabQac

(2)图中系统由左右两个侧壁绝热、底部导热、截面均为S的容器组成。左容器足够高,上端敞开,右容器上端由导热材料封闭。两容器的下端由可忽略容积的细管连通。

容器内两个绝热的活塞AB下方封有氮气,B上方封有氢气. 大气的压强为p0,温度为T0=273 K,两活塞因自身重量对下方气体产生的附加压强均为0.1 p0。系统平衡时,各气柱的高度如图所示。现将系统底部浸入恒温热水槽中,再次平衡时A上升了一定高度。用外力将A缓慢推回第一次平衡时的位置并固定,第三次达到平衡后,氢气柱高度为0.8 h。氮气和氢气均可视为理想气体。求:

(i)第二次平衡时氮气的体积;(ii)水的温度。

查看答案和解析>>


同步练习册答案