4.如图所示的电路中.电源电动势E=3V.内电阻r=1.定值电阻.电容器的电容C=100.则下列说法正确的是( ) A.闭合开关s.电路稳定后电容器两端的电压为2.5 B.闭合开关s.电路稳定后电容器的带电量为3.0×10 C.闭合开关s.电路稳定后电容器极板的带电量为1.5×10 D.先闭合开关s.电路稳定后断开开关s.通过电阻的电量为3.0×10 查看更多

 

题目列表(包括答案和解析)

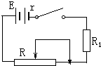
如图所示的电路中,电源电动势E=3V,内电阻r=1Ω,R1=2Ω,滑动变阻器R的阻值可连续增大,求:
(1)当R多大时,R消耗的功率最大?其值为多少?
(2)当R多大时,R1消耗的功率最大?其值为多少?

查看答案和解析>>

如图所示的电路中,电源电动势E=3V,内电阻r=1Ω,R1=2Ω,滑动变阻器R的阻值可连续增大,求:
(1)当R多大时,R消耗的功率最大?其值为多少?
(2)当R多大时,R1消耗的功率最大?其值为多少?
精英家教网

查看答案和解析>>

如图所示的电路中,电源电动势E=3V,内电阻r=1Ω,R1=2Ω,滑动变阻器R的阻值可连续增大,求:
(1)当R多大时,R消耗的功率最大?其值为多少?
(2)当R多大时,R1消耗的功率最大?其值为多少?

查看答案和解析>>

在如图所示的电路中,电源电动势为E=6V,内电阻r=5Ω,小灯泡甲的规格是“3V,0.3A”。为使小灯泡甲最亮,小灯泡乙应选择


  1. A.
    3V,0.3A
  2. B.
    3V,0.2A
  3. C.
    2V,0.1A
  4. D.
    6V,1.2A

查看答案和解析>>

如图所示的电路中,电源电动势E=6.3V,内阻r=0.5Ω,负载电阻,滑动变阻器的最大阻值,当变阻器的滑片从左端A移动到右端B的过程中,电路中电流表的读数范围如何.

查看答案和解析>>


同步练习册答案