11.在图4所示电路中.当滑动变阻器R的滑片P向下移动时.电压表V和电流表A的示数变化是 A.V的示数增大.A的示数减小 B.V和A的示数都增大 C.V和A的示数都减小 D.V的示数减小.A的示数增大 查看更多

 

题目列表(包括答案和解析)

在图甲所示电路中,R1R2均为定值电阻,且R1=100R2的阻值未知,R3是一滑动变阻器,当其滑片从最左端滑至最右端的过程中,测得电源的端电压随电流I的变化图线如图乙所示.其中图线上的AB两点是滑片在变阻器的两个不同端点时分别得到的.求:

  (1)电源的电动势和内电阻;

  (2)定值电阻R2的阻值;

  (3)滑动变阻器R3的最大值;

  (4)上述过程中R1上得到的最大功率以及电源的最大输出功率.

 

查看答案和解析>>

在图甲所示电路中,R1R2均为定值电阻,且R1=100R2的阻值未知,R3是一滑动变阻器,当其滑片从最左端滑至最右端的过程中,测得电源的端电压随电流I的变化图线如图乙所示.其中图线上的AB两点是滑片在变阻器的两个不同端点时分别得到的.求:

  (1)电源的电动势和内电阻;

  (2)定值电阻R2的阻值;

  (3)滑动变阻器R3的最大值;

  (4)上述过程中R1上得到的最大功率以及电源的最大输出功率.

 

查看答案和解析>>

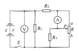
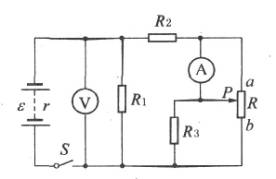
在图所示电路中,电源的内阻r0.,电阻R1R2R318Ω,滑动变阻器的电阻R未知,当它的滑片P处于中点时,电流表示数为0.9A,电压表示数为8.1V,求:(1)电源的电动势ε,滑动变阻器的电阻R,滑动变阻器消耗的功率。(2)当滑动变阻器滑片P移至其下端b时,电压表、电流表的示数及此时电源的输出功率。

 

 

查看答案和解析>>

在图所示电路中,电源的内阻r0.,电阻R1R2R318Ω,滑动变阻器的电阻R未知,当它的滑片P处于中点时,电流表示数为0.9A,电压表示数为8.1V,求:(1)电源的电动势ε,滑动变阻器的电阻R,滑动变阻器消耗的功率。(2)当滑动变阻器滑片P移至其下端b时,电压表、电流表的示数及此时电源的输出功率。

 

 

查看答案和解析>>

如图4所示,理想变压器原、副线圈匝数之比为n1∶n2=4∶1,原线圈两端连接光滑导轨,副线圈与电阻R相连接组成闭合回路.当直导线AB在垂直于导轨平面的匀强磁场中沿导轨做简谐运动时,电流表A1的读数为12mA,那么电流表A2的读数为(   )


A.3mA    B.48mA
C.0     D.与R阻值的大小有关

查看答案和解析>>


同步练习册答案