一平行板电容器的电容为C.它和三个滑线变阻器按照图示的方式连接成电路.今有一个质量为m的带电油滴静止地悬浮在电容器两板之间.现要油滴下降.可以采用的办法是:( ) A 增大R1 B增大R2 C减小R3 D 减小R2 查看更多

 

题目列表(包括答案和解析)

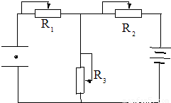
一平行板电容器的电容为C,它和三个滑线变阻器按照图示的方式连接成电路.今有一个质量为m的带电油滴静止地悬浮在电容器两板之间.现要油滴下降,可以采用的办法是(  )

查看答案和解析>>

一平行板电容器的电容为C,它和三个滑线变阻器按照图示的方式连接成电路.今有一个质量为m的带电油滴静止地悬浮在电容器两板之间.现要油滴下降,可以采用的办法是( )

A.增大R1
B.增大R2
C.减小R3
D.减小R2

查看答案和解析>>

一平行板电容器的电容为C,它和三个滑线变阻器按照图示的方式连接成电路。今有一个质量为m的带电油滴静止地悬浮在电容器两板之间。现要油滴下降,可以采用的办法是:

A 增大R B增大R C减小R3   D 减小R2

查看答案和解析>>

一平行板电容器C,极板是水平放置的,它和一个定值电阻、二个可变电阻及电源连接成如图所示的电路.当开关S1、S2都闭合时,质量为m的带电油滴悬浮在两极板之间静止不动.下列操作油滴仍保持不动的是(  )

查看答案和解析>>

一平行板电容器C,极板是水平放置的,它和三个可变电阻及电源连接成如图所示的电路.今有一质量为m的带电油滴悬浮在两极板之间静止不动,要使油滴上升,可采用办法是(  )

查看答案和解析>>


同步练习册答案