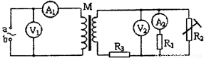
8.如图所示.a.b间接入电压u=311sin314t(V)的正弦交流电.变压器右侧部分为一火警报警系统原理图.其中R2为用半导体热敏材料制成的传感器.所有电表均为理想电表.电流表A2为值班室的显示器.显示通过R1的电流.电压表V2显示加在报警器上的电压.R3为一定值电阻.当传感器R2所在处出现火情时.以下说法中正确的是 ( ) A.A1的示数增大.A2的示数增大 B.V1的示数不变.V2的示数减少 C.V1的示数减小.V2的示数减小 D.A1的示数增大.A2的示数减小 查看更多

 

题目列表(包括答案和解析)

如图所示,a、b间接入电压u=311sin314t(V)的正弦交流电,变压器右侧部分为一火警报警系统原理图,其中R2为用半导体热敏材料制成的传感器,所有电表均为理想电表,电流表A2为值班室的显示器,显示通过R1的电流,电压表V2显示加在报警器上的电压(报警器未画出),R3为一定值电阻.当传感器R2所在处出现火情时,以下说法中正确的是(  )

查看答案和解析>>

如图所示,a、b间接入电压u=311sin314t(V)的正弦交流电,变压器右侧部分为一火警报警系统原理图,其中R2为用半导体热敏材料制成的传感器(当温度升高时,其阻值将减小),所有电表均为理想电表,电流表A2为值班室的显示器,显示通过R1的电流,电压表V2显示加在报警器上的电压(报警器未画出),R3为一定值电阻.当传感器R2所在处出现火情时,以下说法中正确的是(  )
A、A1的示数增大,A2的示数增大B、V1的示数不变,V2的示数减小C、A1的示数增大,A2的示数减小D、V1的示数减小,V2的示数减小

查看答案和解析>>

如图所示,a、b间接入电压u=311sin314t(V)的正弦交流电,变压器右侧部分为一火警报警系统原理图,其中R2为用半导体热敏材料制成的传感器,所有电表均为理想电表,电流表A2为值班室的显示器,显示通过R1的电流,电压表V2显示加在报警器上的电压(报警器未画出),R3为一定值电阻。当传感器R2所在处出现火情时,以下说法中正确的是     (    )

A.A1的示数增大,A2的示数增大                  B.V1的示数不变,V2的示数减少

C.V1的示数减小,V2的示数减小                  D.A1的示数增大,A2的示数减小

 

查看答案和解析>>

如图所示,a、b间接入电压u=311sin314t(V)的正弦交流电,变压器右侧部分为一火警报警系统原理图,其中R2为用半导体热敏材料制成的传感器,所有电表均为理想电表,电流表A2为值班室的显示器,显示通过R1的电流,电压表V2显示加在报警器上的电压(报警器未画出),R3为一定值电阻.当传感器R2所在处出现火情时,以下说法中正确的是(  )
A.A1的示数增大,A2的示数增大
B.V1的示数不变,V2的示数减少
C.V1的示数减小,V2的示数减小
D.A1的示数增大,A2的示数减小
精英家教网

查看答案和解析>>

如图所示,a、b间接入电压u=311sin314t(V)的正弦交流电,变压器右侧部分为一火警报警系统原理图,其中R2为用半导体热敏材料制成的传感器,所有电表均为理想电表,电流表A2为值班室的显示器,显示通过R1的电流,电压表V2显示加在报警器上的电压(报警器未画出),R3为一定值电阻.当传感器R2所在处出现火情时,以下说法中正确的是( )
A.A1的示数增大,A2的示数增大
B.V1的示数不变,V2的示数减少
C.V1的示数减小,V2的示数减小
D.A1的示数增大,A2的示数减小

查看答案和解析>>


同步练习册答案