2.如图1所示是用以说明向心力和质量.半径之间关系的仪器.球p和q可以在光滑水平杆上无摩擦地滑动.两球之间用一条轻绳连接.mp=2mq.当整个装置绕中心轴以角速度ω匀速旋转时.两球离转轴的距离保持不变.则此时( ) A.两球均受到重力.支持力和向心力三个力的作用 B.p球受到的向心力大于q球受到的向心力 ? 图1 C.rp一定等于rq/ 2 D.当ω增大时.p球将向外运动 查看更多

 

题目列表(包括答案和解析)

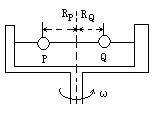
如图1所示是用以说明向心力和质量、半径之间关系的仪器,球pq可以在光滑水平杆上无摩擦地滑动,两球之间用一条轻绳连接,mp=2mq,当整个装置绕中心轴以角速度ω匀速旋转时,两球离转轴的距离保持不变,则此时(     ) 

                                                     

A.两球均受到重力、支持力和向心力三个力的作用?       

B.p球受到的向心力大于q球受到的向心力??

C.p一定等于q/ 2?               

D.当ω增大时,p球将向外运动?

 

查看答案和解析>>

如图1所示是用以说明向心力和质量、半径之间关系的仪器,球pq可以在光滑水平杆上无摩擦地滑动,两球之间用一条轻绳连接,mp=2mq,当整个装置绕中心轴以角速度ω匀速旋转时,两球离转轴的距离保持不变,则此时(     ) 

                                                     

A.两球均受到重力、支持力和向心力三个力的作用?       

B.p球受到的向心力大于q球受到的向心力??

C.p一定等于q/ 2?               

D.当ω增大时,p球将向外运动?

查看答案和解析>>

如图1所示是用以说明向心力和质量、半径之间关系的仪器,球pq可以在光滑水平杆上无摩擦地滑动,两球之间用一条轻绳连接,mp=2mq,当整个装置绕中心轴以角速度ω匀速旋转时,两球离转轴的距离保持不变,则此时(    ) 

                                                     

A.两球均受到重力、支持力和向心力三个力的作用?       

B.p球受到的向心力大于q球受到的向心力??

C.p一定等于q/ 2?               

D.当ω增大时,p球将向外运动?

 

查看答案和解析>>

如图1所示是一个研究圆周运动向心力的实验:在一个透明玻璃做成的圆台面上均匀贴了数条反光度很高的狭窄铝箔纸条,在圆盘上方某处安装了一个光传感器,它具有发射红外光线,同时可接收反射光的功能.台面上有一条光滑的凹槽,凹槽的尽头,靠近台壁处安装了一个力传感器(可以感知力的大小),力传感器前放置一个小球.圆盘转动时,光传感器发出的光线在铝箔处反射为光传感器接收,在没有铝箔处将透射过去,小球压迫在力传感器上,获得传感器给球的弹力,这个力充当小球作圆周运动的向心力,力的大小通过传感器可以测量,当光传感器和力传感器通过数据采集系统与电脑连接后,电脑显示屏可显示出光接收波形图(见图2)和力的测量数值F0.现已知光传感器在圆台面上的光点距转轴距离r,小球的质量为m,球心与转轴相距R,铝箔宽度d,电脑显示出铝箔条反射光的最短时间为t1
(1)用上述条件可以求出小球所需要的向心力F=
m
d2R
t
2
1
r2
m
d2R
t
2
1
r2
,并与F0比较,从而验证公式F=mv2/r.
(2)这一设计对转台作非匀速圆周运动的情况是否适用.简要说明理由
适用.因为向心力具有瞬时性,只要取对应瞬时值即可比较.
适用.因为向心力具有瞬时性,只要取对应瞬时值即可比较.

查看答案和解析>>

如图所示,是用以说明向心力和质量、半径之间关系的仪器,球P和Q可以在光滑杆上无摩擦地滑动,两球之间用一条轻绳连接,.当整个装置以角速度ω匀速旋转时,两球离转轴的距离保持不变,此时

(1)两球受到的向心力大小相等

(2)P球受到的向心力大于Q球受到的向心力

(3)一定等于

(4)当ω增大时,P球将向外运动

[  ]

A.(1)(2)
B.(3)(4)
C.(1)(3)
D.(2)(4)

查看答案和解析>>


同步练习册答案