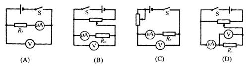
14.用伏安法测量一定值电阻.实验器材如下: (A)待测量电阻Rx, (B)直流电流表(量程0-500μA.内阻300Ω), (C)直流电压表, (D)直流稳压电源, (E)滑动变阻器, (F)开关.导线等. 如下图所示4个电路图中应选哪一个来做实验?请填它们的字母代号: 查看更多

 

题目列表(包括答案和解析)

用伏安法测量一定值电阻,实验器材如下:
(1)待测电阻Rx(约30kΩ,1W)
(2)直流电流表(量程0~500μA,内阻300Ω)
(3)直流电压表(量程0~10V,内阻100kΩ)
(4)滑动变阻器(0~2kΩ,0.3A)
(5)直流稳压电源(输出电压20V)
(6)电键,导线等
应选用下图所示4个电路图中的哪一个来做实验?请填上相应的字母代号:______.

精英家教网

查看答案和解析>>

用伏安法测量一定值电阻,实验器材如下:
(1)待测电阻Rx(约30kΩ,1W)
(2)直流电流表(量程0~500μA,内阻300Ω)
(3)直流电压表(量程0~10V,内阻100kΩ)
(4)滑动变阻器(0~2kΩ,0.3A)
(5)直流稳压电源(输出电压20V)
(6)电键,导线等
应选用下图所示4个电路图中的哪一个来做实验?请填上相应的字母代号:______.

查看答案和解析>>

用伏安法测量一定值电阻,实验器材如下:
(1)待测电阻Rx(约30kΩ,1W)
(2)直流电流表(量程0~500μA,内阻300Ω)
(3)直流电压表(量程0~10V,内阻100kΩ)
(4)滑动变阻器(0~2kΩ,0.3A)
(5)直流稳压电源(输出电压20V)
(6)电键,导线等
应选用下图所示4个电路图中的哪一个来做实验?请填上相应的字母代号:______.

查看答案和解析>>

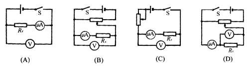
用伏安法测量一定值电阻,实验器材如下:

(A)待测量电阻Rx(30kΩ1W)

(B)直流电流表(量程0500μA,内阻300Ω)

(C)直流电压表(量程015V,内阻30kΩ)

(D)直流稳压电源(输出电压20V)

(E)滑动变阻器(02kΩ0.3A)

(F)开关、导线等。

如下图所示4个电路图中应选哪一个来做实验?请填它们的字母代号:     

 

查看答案和解析>>

用伏安法测量一定值电阻,实验器材如下:

(A)待测量电阻Rx(30kΩ1W)

(B)直流电流表(量程0500μA,内阻300Ω)

(C)直流电压表(量程015V,内阻30kΩ)

(D)直流稳压电源(输出电压20V)

(E)滑动变阻器(02kΩ0.3A)

(F)开关、导线等。

如下图所示4个电路图中应选哪一个来做实验?请填它们的字母代号:     

 

查看答案和解析>>


同步练习册答案