19.在如图所示电路中.电源的电动势E=3V.内电阻r=0.5Ω.电阻R1=2Ω.闭合电键S.当滑动变阻器的滑动触头P向下滑动时.四个理想电表的示数都发生变化.电表的示数分别用I.U1.U2和U3表示.电表示数变化量的大小分别用ΔI.ΔU1.ΔU2和ΔU3表示.则下列叙述中正确的是 A.I变小.U1变小 B. C. D. 查看更多

 

题目列表(包括答案和解析)

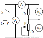
在如图所示电路中,电源的电动势E=3V,内电阻r=0.5Ω,电阻R1=2Ω,闭合电键S,当滑动变阻器的滑动触头P向下滑动时,四个理想电表的示数都发生变化,电表的示数分别用I、U1、U2和U3表示,电表示数变化量的大小分别用△I、△U1、△U2和△U3表示,则下列叙述中正确的是(  )

查看答案和解析>>

精英家教网在如图所示电路中,电源的电动势E=3V,内电阻r=0.5Ω,电阻R1=2Ω,闭合电键S,当滑动变阻器的滑动触头P向下滑动时,四个理想电表的示数都发生变化,电表的示数分别用I、U1、U2和U3表示,电表示数变化量的大小分别用△I、△U1、△U2和△U3表示,则下列叙述中正确的是(  )
A、I变小,U2变小
B、△U2>△U3
C、△U1>△U3
D、
U2
△I
>r

查看答案和解析>>

在如图所示电路中,电源的电动势E=3V,内电阻r=0.5Ω,电阻R1=2Ω,闭合电键S,当滑动变阻器的滑动触头P向下滑动时,四个理想电表的示数都发生变化,电表的示数分别用I、U1、U2和U3表示,电表示数变化量的大小分别用ΔI、ΔU1、ΔU2和ΔU3表示,则下列叙述中正确的是(      )

A.I变小,U1变小

B.

C.

D.

 

查看答案和解析>>

在如图所示电路中,电源的电动势E=3V,内电阻r=0.5Ω,电阻R1=2Ω,闭合电键S,当滑动变阻器的滑动触头P向下滑动时,四个理想电表的示数都发生变化,电表的示数分别用I、U1、U2和U3表示,电表示数变化量的大小分别用△I、△U1、△U2和△U3表示,则下列叙述中正确的是(  )
A.I变小,U1变小B.△U1>△U2
C.△U1>△U3D.
U2
△I
>r
精英家教网

查看答案和解析>>

在如图所示电路中,电源的电动势E=3V,内电阻r=0.5Ω,电阻R1=2Ω,闭合电键S,当滑动变阻器的滑动触头P向下滑动时,四个理想电表的示数都发生变化,电表的示数分别用I、U1、U2和U3表示,电表示数变化量的大小分别用△I、△U1、△U2和△U3表示,则下列叙述中正确的是( )

A.I变小,U1变小
B.△U1>△U2
C.△U1>△U3
D.

查看答案和解析>>


同步练习册答案