20.如图所示.足够长的两条平行金属导轨竖直放置.其间有与导轨平面垂直的匀强磁场.两导轨通过导线与检流计G1.线圈M接在一起.N是绕在“□ 形铁芯上的另一线圈.它与检流计G2组成闭合回路.现有一金属棒ab沿导轨下滑.下滑过程与导轨接触良好.在ab下滑的过程中 (A)通过G1的电流是从右端进入的 (B)通过G2的电流是从左端进入的 (C)检流计G1的示数逐渐增大.达到最大值后变为零 (D)检流计G2的示数逐渐减小.最后趋于零 第II卷 答案请写在答题卷上 第22题有A.B两题.考生可任意选做一题.若两题都做将根据A题的答案确定该题的得分,第30.31.32.33题要写出必要的文字说明.方程式和重要的演算步骤.只写出最后答案.而未写出主要演算过程的.不能得分.有关物理量的数值计算问题.答案中必须明确写出数值和单位. 查看更多

 

题目列表(包括答案和解析)

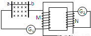
如图所示,足够长的两条平行金属导轨竖直放置,其间有与导轨平面垂直的匀强磁场,两导轨通过导线与检流计G1、线圈M接在一起.N是绕在“□”形铁芯上的另一线圈,它与检流计G2组成闭合回路.现有一金属棒ab沿导轨下滑,下滑过程与导轨接触良好,在ab下滑的过程中(  )

查看答案和解析>>

如图所示,足够长的两条平行金属导轨竖直放置,其间有与导轨平面垂直的匀强磁场,两导轨通过导线与检流计G1、线圈M接在一起.N是绕在“□”形铁芯上的另一线圈,它与检流计G2组成闭合回路.现有一金属棒ab沿导轨下滑,下滑过程与导轨接触良好,在ab下滑的过程中(  )
A.通过G1的电流是从右端进入的
B.通过G2的电流是从左端进入的
C.检流计G1的示数逐渐增大,达到最大值后变为零
D.检流计G2的示数逐渐减小,最后趋于零
精英家教网

查看答案和解析>>

如图所示,足够长的两条平行金属导轨竖直放置,其间有与导轨平面垂直的匀强磁场,两导轨通过导线与检流计G1、线圈M接在一起.N是绕在“□”形铁芯上的另一线圈,它与检流计G2组成闭合回路.现有一金属棒ab沿导轨下滑,下滑过程与导轨接触良好,在ab下滑的过程中(  )
A.通过G1的电流是从右端进入的
B.通过G2的电流是从左端进入的
C.检流计G1的示数逐渐增大,达到最大值后变为零
D.检流计G2的示数逐渐减小,最后趋于零
精英家教网

查看答案和解析>>

如图所示,足够长的两条平行金属导轨竖直放置,其间有与导轨平面垂直的匀强磁场,两导轨通过导线与检流计G1、线圈M接在一起.N是绕在“□”形铁芯上的另一线圈,它与检流计G2组成闭合回路.现有一金属棒ab沿导轨下滑,下滑过程与导轨接触良好,在ab下滑的过程中( )
A.通过G1的电流是从右端进入的
B.通过G2的电流是从左端进入的
C.检流计G1的示数逐渐增大,达到最大值后变为零
D.检流计G2的示数逐渐减小,最后趋于零

查看答案和解析>>

如图所示,足够长的两条平行金属导轨竖直放置,其间有与导轨平面垂直的匀强磁场,两导轨通过导线与检流计G1、线圈M接在一起。N是绕在“□”形铁芯上的另一线圈,它与检流计G2组成闭合回路。现有一金属棒ab沿导轨下滑,下滑过程与导轨接触良好,在ab下滑的过程中

A.通过G1的电流是从右端进入的

B.通过G2的电流是从左端进入的

C.检流计G1的示数逐渐增大,达到最大值后变为零

D.检流计G2的示数逐渐减小,最后趋于零

 

 

 

 

 

 

 

 

 

查看答案和解析>>


同步练习册答案