①用伏特表.安培表测定电池电动势和内阻实验.采用的是下列 电路图. ②某同学将 测得的数值逐一描绘在坐标纸上.再根据这些点分别画出了图线a与b.你认为比较合理的是图线 (填a或b). ③根据该图线得到电源电动势的大小是 V,内阻是 Ω. 查看更多

 

题目列表(包括答案和解析)

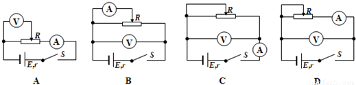
①用伏特表、安培表测定电池电动势和内阻实验,采用的是下列
D
D
电路图.

②某同学将测得的数值逐一描绘在坐标纸上,再根据这些点分别画出了图线a与b,你认为比较合理的是图线
a
a
(填a或b).

③根据该图线得到电源电动势的大小是
1.44
1.44
V;内阻是
1.0
1.0
Ω(结果保留两位小数).

查看答案和解析>>

①用伏特表、安培表测定电池电动势和内阻实验,采用的是下列______电路图.

精英家教网

②某同学将
精英家教网
测得的数值逐一描绘在坐标纸上,再根据这些点分别画出了图线a与b,你认为比较合理的是图线______(填a或b).

精英家教网

③根据该图线得到电源电动势的大小是______V;内阻是______Ω(结果保留两位小数).

查看答案和解析>>

①用伏特表、安培表测定电池电动势和内阻实验,采用的是下列______电路图.

②某同学将测得的数值逐一描绘在坐标纸上,再根据这些点分别画出了图线a与b,你认为比较合理的是图线______(填a或b).

③根据该图线得到电源电动势的大小是______V;内阻是______Ω(结果保留两位小数).

查看答案和解析>>

①用伏特表、安培表测定电池电动势和内阻实验,采用的是下列______电路图.

②某同学将测得的数值逐一描绘在坐标纸上,再根据这些点分别画出了图线a与b,你认为比较合理的是图线______(填a或b).

③根据该图线得到电源电动势的大小是______V;内阻是______Ω(结果保留两位小数).

查看答案和解析>>

为测定电池电动势和内电阻,除待测电池、开关、若干导线外,选用下列哪组仪器就能完成实验目的

A.一安培表,一电阻箱    B.一伏特表,一电阻箱

C.一安培表,一伏特表    D.一安培表,一滑动变阻器

查看答案和解析>>


同步练习册答案