2.过磷酸钙(Ca(H2PO4)2)不能与下列化肥混合施用的是 ( ) A.硫酸铵 B.硝酸铵 C.氯化钾 D.草木灰 查看更多

 

题目列表(包括答案和解析)

小明家责任田里的庄稼生长不茂盛,叶色淡绿、茎叶细小,同时还出现了不同程度的倒伏现象。请问:

(1)小明家的庄稼缺两种营养元素,它们是________(填“N”、“P”、“K”或“微量元素”)。

(2)某生产资料公司的化肥价格如下表:

化肥

尿素CO(NH2)2

碳铵NH4HCO3

磷矿粉Ca3(PO4)2

价格(元/吨)

1200

350

150

化肥

过磷酸钙Ca(H2PO4)2

氯化钾KCl

硫酸钾K2SO4

价格(元/吨)

250

650

800

在考虑既经济实用又解决问题的条件下,你认为小明应购买的化肥是________________(填化学式)。

 

查看答案和解析>>

磷酸盐骨水泥具有良好的生物相容性和生物活性。医药工业利用共沉淀原理,通过控制Ca/P物质的量比n(Ca)/n(P)]制备相应产品[Ca5(PO4)3OH和Ca3(PO4)2的n(Ca)/n(P)分别为1.67和15]流程如下:

 (注:Ca5(PO4)3OH和Ca3(PO4)2和CaHPO4均难溶于水;Ca(H2 PO4)2溶液pH<7)

下表为n(Ca)/n(P)=1.5时,不同pH值制得滤饼的产率以及分析结果:

(1)流程中强调“滴加速度100mL/45min的作用是                               。流程中调pH选氨水,不选生石灰或石灰乳的理由是                             

(2)从表中数据分析生成Ca3(PO4)2时,“pH=x”中的x的最佳取值为    ,滤饼的化学成分Ca5(PO4)3OH、Ca3(PO4)2和CaHPO4             

(3)酸性条件下产率偏低的原因是                                        

(4)“高温煅烧”滤饼,化学反应方程式为                                   

(5)如图是生产羟基磷灰石时得到的实验曲线,依据图上信息计算磷的初始浓度为0.70mmol/L,pH=10.0条件下反应前10min内磷的沉淀速率为      

 

 

查看答案和解析>>

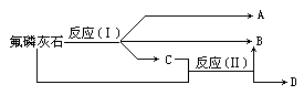
工业上常用氟磷灰石[Ca5(PO4)3F]为原料,按图示制取磷酸、重过磷酸钙[Ca(H2PO4)2]和氢氟酸。图中反应(Ⅰ)为氟磷灰石跟另一种原料反应,生成ABC三种物质,其中的产物C又跟氟磷灰石发生反应(Ⅱ),生成B和重过磷酸钙。试写出两个反应的化学方程式:

反应(Ⅰ)____________________________

反应(Ⅱ)____________________________

 

查看答案和解析>>

工业上常用氟磷灰石[Ca5(PO4)3F]为原料,按图示制取磷酸、重过磷酸钙[Ca(H2PO4)2]和氢氟酸。图中反应(Ⅰ)为氟磷灰石跟另一种原料反应,生成ABC三种物质,其中的产物C又跟氟磷灰石发生反应(Ⅱ),生成B和重过磷酸钙。试写出两个反应的化学方程式:

反应(Ⅰ)____________________________

反应(Ⅱ)____________________________

 

查看答案和解析>>

工业上常用氟磷灰石[Ca5(PO4)3F]为原料,按如图所示制取磷酸、重过磷酸钙和氢氟酸.图中反应(Ⅰ)为氟磷灰石跟另一种原料反应,生成A,B,C三种物质.其中的产物C又跟氟磷灰石发生反应(Ⅱ),生成B和重过磷酸钙[Ca(H2PO4)2].

试写出这两个反应的化学方程式.

反应(Ⅰ)________;

反应(Ⅱ)________.

查看答案和解析>>


同步练习册答案