32.如图所示电路.R1=10欧.R3=2欧.电源电压为36伏.当S接a时.电路中电流是2安.求:(1)R2的电阻值.(2)当S接b时.R3两端电压. 查看更多

 

题目列表(包括答案和解析)

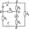
如图所示电路中,电源电动势为30伏特,内阻为1欧姆,电容器电容C=1×10-5法拉.电阻R1R2=6欧姆,R3=4欧姆,R4R5=2欧姆,开关K闭合到电路稳定后,求:

(1)安培表的示数是多少?

(2)电容器C中充有电量是多少?

查看答案和解析>>

某同学想用下列器材测量一电流表的内阻rA,要求测量时两电表指针的偏转均超过其量程的一半。

A.待测电流表A(量程300 μA,内阻约为100 Ω)

B.电压表V(量程3 V,内阻RV=1 kΩ)

C.电源E(电动势约4 V,内阻忽略不计)

D.定值电阻R1=10 Ω

E.滑动变阻器R2(0~20 Ω,允许通过的最大电流2.0 A)

F.开关S,导线若干

(1)在方框中画出测量电路原理图。

 (2)电路接通后,正确测得电压表读数为2.8 V,电流表读数为280 μA,则所测电流表内阻rA=____Ω。

(3)该同学借助以下器材把该电流表改装成了中值电阻为30 Ω的欧姆表,欧姆表内部电路如图所示

A.一节干电池(标准电动势为1.5 V)

B.电阻箱R1(最大阻值99.99 Ω)

C.电阻箱R2(最大阻值999.9 Ω)

D.滑动变阻器R3(0~50 Ω)

E.滑动变阻器R4(0~500 Ω)

F.导线若干及两个接线柱

①电路图中与电流表并联的电阻箱应该选________(填“B”或“C”)

②用改装后的欧姆表测一待测电阻,读出电流表的读数为200 μA,则待测电阻阻值为_______ Ω。

查看答案和解析>>

(12分)在测定一节干电池的电动势和内电阻的实验中,备有下列器材:

A.电池(电动势约为1.5V,内电阻约1.0Ω)

B.电流表G(满偏电流3mA,内阻为Rg=1.0Ω)

C.电流表A(0~0.6A,内阻约为0.1Ω)

D.滑动变阻器R1(0~10Ω,1A)

E.滑动变阻器R2(0~1000Ω,10A)

F.定值电阻R3=999Ω

G.开关、导线若干

(1)请画出利用本题提供的器材所设计的测量电池电动势和内阻的实验电路图.

(2)为方便且能较准确地进行测量,应选用的滑动变阻器是______(填写字母代号).

(3)某同学根据他所设计的实验测出了六组I1(电流表G的示数)和I2(电流表A 的示数, 并将这六组数据绘在反映I1和I2关系的坐标纸中,如图示,试作出I1和I2的关系图,并由图线求得被测电池的电动势E=_____伏,内阻r=_____欧.

查看答案和解析>>

(闭合电路欧姆定律)为了节能和环保,一些公共场所使用光控开关控制照明系统.光控开头可采用光敏电阻来控制,光敏电阻是阻值随着光的照度而发生变化的元件(照度可以反映光的强弱,光越强照度越大,照度单位为Lx).某光敏电阻Rp在不同照度下的阻值如下表:

①根据表中数据,请在给定的坐标系中描绘出阻值随照度变化的曲线,并说明阻值随照度变化的特点.

②如图所示,当1、2两端所加电压上升至2V时,控制开关自动启动照明系统,请利用下列器材设计一个简单电路.给1、2两端提供电压,要求当天色渐暗照度降低至1.0(1x)时启动照明系统,在虚线框内完成电路原理图

(不考虑控制开关对所设计电路的影响)

提供的器材如下:

光敏电源E(电动势3 V,内阻不计);

定值电阻:R1=10 kΩ,R2=20 kΩ,R3=40 kΩ(限选其中之一并在图中标出)

开关S及导线若干.

查看答案和解析>>

在测定一节干电池的电动势和内电阻的实验中,备有下列器材:
A.电池(电动势约为1.5V,内电阻约1.0Ω)
B.电流表G(满偏电流3mA,内阻为Rg=1.0Ω)
C.电流表A(0~0.6A,内阻约为0.1Ω)
D.滑动变阻器R1(0~10Ω,1A)
E.滑动变阻器R2(0~1000Ω,10A)
F.定值电阻R3=999Ω
G.开关、导线若干
(1)请画出利用本题提供的器材所设计的测量电池电动势和内阻的实验电路图;
       
(2)为方便且能较准确地进行测量,应选用的滑动变阻器是______________(填写字母代号);
(3)某同学根据他所设计的实验测出了六组I1(电流表G的示数)和I2(电流表A的示数), 并将这六组数据绘在反映I1和I2关系的坐标纸中,如图所示,试作出I1和I2的关系图,并由图线求得被测电池的电动势E=______________伏,内阻r=______________欧。

查看答案和解析>>


同步练习册答案