21.如右图所示电路中.当开关S闭合.甲.乙两表是电压表时.示数之比U甲∶U乙=4:3.当开关S断开.甲.乙两表都是电流表时则两表的示数之比I甲∶I乙为( ▲ )中考资源网 A.1∶3 B.1∶4 C.4∶3 D.1∶1 查看更多

 

题目列表(包括答案和解析)

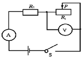
如图所示电路中,当开关S闭合,滑片P向右移动时,关于两表示数的变化下述正确的是(  )

查看答案和解析>>

如图所示电路中,当开关S闭合,滑片P向右移动时,关于两表示数的变化下述正确的是( )
A.电流表、电压表的示数均变大
B.电流表、电压表的示数均变小
C.电流表的示数变小,电压表的示数变大
D.电流表的示数变大,电压表的示数变小

查看答案和解析>>

如图所示电路中,当开关S闭合,滑片P向右移动时,关于两表示数的变化下述正确的是


  1. A.
    电流表、电压表的示数均变大
  2. B.
    电流表、电压表的示数均变小
  3. C.
    电流表的示数变小,电压表的示数变大
  4. D.
    电流表的示数变大,电压表的示数变小

查看答案和解析>>

       如图所示电路中,当开关S闭合,滑片P向右移动时,关于两表示数的变化下述正确的是(     )

A.电流表、电压表的示数均变大     B.电流表、电压表的示数均变小

C.电流表示数变小, 电压表示数变大  D.电流表示数变大,电压表示数变小

查看答案和解析>>

如右图所示电路中,电源电压恒定.当开关S闭合后,在向右移动滑片P的过程中,电表示数的变化情况是(  )

查看答案和解析>>


同步练习册答案