题目列表(包括答案和解析)

 0  121725  121733  121739  121743  121749  121751  121755  121761  121763  121769  121775  121779  121781  121785  121791  121793  121799  121803  121805  121809  121811  121815  121817  121819  121820  121821  121823  121824  121825  121827  121829  121833  121835  121839  121841  121845  121851  121853  121859  121863  121865  121869  121875  121881  121883  121889  121893  121895  121901  121905  121911  121919  447348 

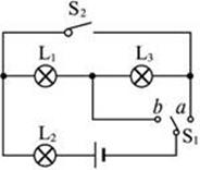
12.某实验小组用三只相同的小灯泡,连成如图所示电路,研究串、并联电路的特点,实验中观察到的现象是

A. S2断开,S1与a连接,三只灯泡都熄灭

B. S2断开,S1与b连接,三只灯泡亮度相同

C .S2闭合,S1与a连接,三只灯泡都发光,L1、L2亮度相同

D. S2闭合,S1与b连接,三只灯泡都发光,L3的亮度小于L2的亮度

试题详情

11.将一只阻值为数千欧的电阻R1和一只阻值为千分之几欧的电阻R2并联起来,则总电阻

A 很接近R1而略大于R1       B 很接近R2而略小于R2

C 很接近R2而略大于R2       D 很接近R1而略小于R1

试题详情

10.如图所示,A、B、C、D是滑动变阻器的四个接线柱,现把此变    阻器串联接人电路中,并要求滑片P向接线柱C移动时电路中的电流减小,则接人电路的接线柱可以是

(A) A和B    (B) A和C

(C) B和C    (D) A和D

试题详情

9.有一正点电荷只受电场力作用从静电场中的a点由静止释放,它沿直线运动到b点的过程中,动能Ek随位移S变化的关系图象如右图6所示,则该电场的电场线分布应是下图中的

试题详情

8. 如图所示的电路中,电源的电动势E=6V,内阻不计。R1=4Ω,R2=2Ω,R3=7Ω,电容器C 的电容为10-6F,则电容器所带的电量为

A、2×10-6C    B、2×10-6C   C、4×10-6C   D、0

试题详情

7.如图,带正电的点电荷固定于Q点,电子在只受库仑力作用下,做以Q为焦点的椭圆运动。MPN为椭圆上的三点,P点是轨道上离Q最近的点。电子在从M经P到达N点的过程中

A.速率保持不变     B.电势能保持不变

  C.机械能保持不变   D.动能与电势能之和保持不变

试题详情

6.下列公式中,既适用于点电荷产生的静电场,也适用于匀强电场的有

①场强E=F/q ②场强E=U/d   ③场强E=kQ/r2   ④电场力做功W=Uq

A ①③     B ②③     C ②④     D ①④

试题详情

5.如图所示,质量为m的带电小球用绝缘丝线悬挂于O点,并处在水平向左的匀强电场E中,小球静止时丝线与竖直方向夹角为θ,若剪断丝线,则

A 小球的加速度变为g,方向竖直向下 

B 小球的加速度变为g/cosθ,沿绳向下

C 小球的加速度变为gtanθ,水平向右

D 小球将做曲线运动

试题详情

4.如图所示,仅在电场力作用下,一带电粒子沿图中虚线从A运动到B,下列说法错误的是

A 电场力做正功   B 动能减少

C 该粒子带负电   D 加速度增大

试题详情

3.如图所示是两个等量同种点电荷A、B形成的电场,图中示意性地画了几条电场线,其中O点为A、B连线的中心,P、Q是 AB的中垂线上距O点不远的两点,且PO=QO。下列说法中正确的是

A. P、Q两点的电场强度相同

B  PQ直线上电场强度处处为零

C. 任何电荷在PQ直线上移动,电场力都不做功

D. 任何电荷放在O点处都不受电场力作用

试题详情


同步练习册答案