题目列表(包括答案和解析)

 0  132743  132751  132757  132761  132767  132769  132773  132779  132781  132787  132793  132797  132799  132803  132809  132811  132817  132821  132823  132827  132829  132833  132835  132837  132838  132839  132841  132842  132843  132845  132847  132851  132853  132857  132859  132863  132869  132871  132877  132881  132883  132887  132893  132899  132901  132907  132911  132913  132919  132923  132929  132937  447348 

3.在图1-12装置中,物体m=10千克,在F的作用下,m以0.4米/秒的速度在水平面上作匀速直线运动,弹簧秤的示数为10牛顿。求:   (1)拉力F为多少牛顿?   (2)物体受到水平面的阻力是多少牛顿?   (3)在10秒钟内拉力做功多少焦耳?   (4)拉力的功率多大?(5分)   

试题详情

1.在一铝壶里(铝壶吸热不计)装了2千克的水,把这壶水从

    这两个电阻并联起来接到同一电源两端,总电阻和通过每个电阻的电流强度。(电源电压不变)(4分)

试题详情

3.在虚线框中画出测定小灯泡额定功率的电路图。如图1-11是当小灯泡正常发光时伏特表和安培表的示数,小灯泡的额定电压是__________伏特,额定电流是__________安培,额定功率是__________瓦特。   

试题详情

2.在研究凸透镜成像的实验中,当烛焰放在凸透镜的二倍焦距以外时,在光屏上可以成一个__________的实像,当烛焰放在凸透镜的二倍焦距与焦点间时,在光屏上可以成一个__________的实像,人的眼睛要看烛焰的放大、正立的__________像,人必须和烛焰在凸透镜的__________。(前两空选填 “放大”、“缩小”,“倒立”、“正立”。后一空选填 “同侧”、“两侧”)。

试题详情

1.测定某块矿石的密度。图1-10所示为用天平称矿石质量,天平平衡时所用砝码和用量筒测矿石体积的情况。   矿石的质量m=__________   矿石的体积V=__________   (写出计算密度的公式、计算过程及结果)   

试题详情

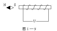
6.图1-9中小磁针静止,标出通电螺线管的N、S极和电源的正负极。   

试题详情

5.标出图1-8中的磁感线方向。   

试题详情

4.完成下列光路图。   

试题详情

3.画出平面镜前一点S在平面镜中成像的光路图。   

试题详情

1.如图1-4所示,静止在水平面上的物体重15牛顿,用力的图示法画出它所受的重力和支持力。   

 (O为支点)   

试题详情


同步练习册答案