题目列表(包括答案和解析)

 0  138076  138084  138090  138094  138100  138102  138106  138112  138114  138120  138126  138130  138132  138136  138142  138144  138150  138154  138156  138160  138162  138166  138168  138170  138171  138172  138174  138175  138176  138178  138180  138184  138186  138190  138192  138196  138202  138204  138210  138214  138216  138220  138226  138232  138234  138240  138244  138246  138252  138256  138262  138270  447348 

7.一辆汽车在平直公路上以恒定功率加速行驶,行驶过程中受到的阻力不为零,则下列说

  法正确的是                                                                      (   )

     A.速度增量与加速时间成正比

     B.动能增量与加速时间成正比

     C.能达到的最大速度与阻力成反比

     D.加速度与牵引力成正比

试题详情

6.如图所示,一个质量为0.18kg的垒球,以25m/s的水平速度飞向球棒,被球棒打击后反

  向水平飞回,速度大小变为45m/s,设球棒与垒球的作用时间为0.01s。对下列说法正确

  的是                                                                             (   )

     ①球棒对垒球的平均作用力大小为1260N

     ②球棒对垒球的平均作用力大小为360N

     ③球棒对垒球做的功为126J

     ④球棒对垒球做的功为36J

     A.①③

     B.①④

     C.②③

     D.②④

试题详情

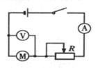
5.用如图所示的实验电路研究微型电动机的性能,当调节滑动变阻器R,让电动机停止转动

  时,电流表和电压表的示数分别为0.50A和2.0V;重新调节R,使电动机恢复正常运转

  时,电流表和电压表的示数分别为2.0A和24V。则这台电动机(不计温度对电阻的影响)

                                                                                     (   )

     A.正常运转时的输出功率为32W

     B.正常运转时的输出功率为48W

     C.正常运转时的发热功率为1W

     D.正常运转时的发热功率为47W

试题详情

4.图甲和图乙分别表示两种电压的波形,其中图甲所示电压按正弦规律变化,下列说法中

  正确的是                                                                        (   )

     A.图甲表示交流电,图乙表示直流电

     B.两种电压的有效值都是311V

     C.图甲所示电压的瞬时值表达式为u=220sin100πt(T)

     D.图甲所示电压经原、副线圈匝数比为10:1的理想变压器变压后,功率为1:1

试题详情

3.在如图所示的四种电场中,分别标记有a、b两点。其中a、b两点的电势相等,电场强度

  大小相等、方向也相同的是                                                     (   )

     A.甲图:与点电荷等距的a、b两点

     B.乙图:两等量异种电荷连接的中垂线上与连线等距的a、b两点

     C.丙图:点电荷与带电平板形成的电场中平板上表面的a、b两点

     D.丁图:匀强磁场中的a、b两点

试题详情

2.一个单摆做受迫振动,其共振曲线(振幅A与驱动

  力的频率f的关系)如图所示,则           (   )

     A.此单摆的固有周期约为0.5s

     B.此单摆的摆长约为1m

     C.若摆长增大,单摆的固有频率增大

     D.若摆长增大,共振曲线的峰将向右移动

试题详情

1.如图所示,两个物体AB,质量分别为Mm,用跨过定

  滑轮的轻绳相连,A静止于水平地面上,不计摩擦,则下列说

  法正确的是                                  (   )

     A.物体A对绳的作用力大小为Mg

     B.物体A对绳的作用力大小为mg

     C.物体A对地面的作用力大小为Mg

     D.物体A对地面的作用力大小为(M+m) g

试题详情

(二)

试题详情

1.关于牛顿运动定律,下列说法正确的是                                         (   )

A.物体在不受外力作用时,保持原有运动状态不变的性质叫惯性,故牛顿运动定律又叫惯性定律

B.牛顿运动定律仅适用于宏观物体,只可用于解决物体的低速运动问题

C.牛顿第一定律是牛顿第二定律在物体的加速度a=0条件下的特例

D.作用力和反作用力总是同一性质的力,它们产生的作用效果一定相同

2.如图所示,一架在2 000 m高空以200 m/s的速度水平匀速飞行

的轰炸机,要想用两枚炸弹分别炸山脚和山顶的目标AB.已

知山高720 m,山脚与山顶的水平距离为1 000 m,若不计空气

阻力,g取10 m/s2,则投弹的时间间隔应为    (   )

A.4 s           B.5 s    

C.9 s           D.16 s

3.如图所示,质量为m的小球与轻质弹簧Ⅰ和水平细线Ⅱ相连,

Ⅰ、Ⅱ的另一端分别固定于PQ,当仅剪断Ⅰ、Ⅱ中的一

根的瞬间,球的加速a应是             (   )

A.若剪断Ⅰ,则a=g,竖直向下

B.若剪断Ⅱ,则a=g tan,方向水平向左

C.若剪断Ⅰ,则a=,方向沿Ⅰ的延长线

D.若剪断Ⅱ,则a=g,竖直向上

4.如图所示,跨在光滑圆柱体侧面上的轻绳两端分别系有质量为mAmB的小球,系统处于静止状态.AB小球与圆心的连线分别与水平面成60°和30°角,则两球的质量之比mAmB和剪断轻绳时两球的加速度之比aA:aB分别为   (   )      

A.1∶1   1∶2                      B.1∶1   1∶

C.∶1  1∶1                      D.∶1  1∶

5.“嫦娥奔月”的过程可以简化为:“嫦娥一号”升空后,绕地球沿

椭圆轨道运动,远地点A距地面高为h1,然后经过变轨被月球

捕获,再经多次变轨,最终在距离月球表面高为h2的轨道上绕月

球做匀速圆周运动.若已知地球的半径为R1、表面重力加速度

g0,月球的质量为M、半径为R 2,引力常量为G,根据以上

信息,可以确定                                    (   )

A.“嫦娥一号”在远地点A时的速度

B.“嫦娥一号”在远地点A时的加速度

C.“嫦娥一号”绕月球运动的周期  

D.月球表面的重力加速度

6.太阳系中的第二大行星--土星的卫星众多,目前已发现有数十颗.下表是有关土卫五和土卫六两颗卫星的一些参数,则两卫星相比较,下列判断正确的是     (   )

卫星
距土星的距离km
半径/km
质量/kg
发现者
发现日期
土卫五
527000
765
2.49×1021
卡西尼
1672
土卫六
1222000
2575
1.35×1023
惠更斯
1655

A.土卫五的公转周期更小            B.土星对土卫六的万有引力更小

C.土卫五的公转角速度大            D.土卫五的公转线速度小

7.某人划船渡一条河,当划行速度和水流速度一定,且划行速度大于水流速度时,过河的最短时间是t1;若以最小位移过河,需时间t2,则船速v1 与水速v2 之比为                     (   )

A.t2t1            B.t2     C.t1∶(t1t2)    D.t1t2

8.如图所示,光滑物块A从光滑斜面B的上端下滑,第一次B固定在水平面上时,A下滑过程中受的支持力为F1;第二次B置于光滑水平面上时,A下滑过程中受的支持力为F2,以下说法正确的是                       (   )

A.F1F2方向不同,且F1=F2

B.F1F2方向一致,且F1=F2

C.F1F2方向一致,且F1F2

D.F1F2方向一致,且F1F2

9.质量为0.3kg的物体在水平面上运动,图中的两条直线分别表示物体受水平拉力和不受水平拉力的v-t图像,则下列说法中正确的是                             (   )

A.水平拉力可能等于0.3N

B.水平拉力一定等于0.1N

C.物体的摩擦力可能等于0.1N

D.物体的摩擦力可能等于0.2N

 

vx
 
10.如图所示,水平抛出的物体,抵达斜面上端P处,其速度方向恰好沿着斜面方向,然后沿斜面无摩擦滑下,下列图象是描述物体沿x方向和y方向运动的速度-时间图象,其中能正确反映运动的是          (   )

vx
 
 

                                              A                              B

                                               C                              D

试题详情

(二)选考题(请考生从给出的3道题中任选一道做答,若做两道或三道,只计最靠前一道题的分数)

16.[选修3-3](15分)

(1) (5分)汽车是一种将内能转化为机械能来工作的机器。有人总想将汽车发动机的工作效率提升到100% ,根据我们所学的热学知识可知,这是不可能的,这种想法违背了_____________。(选填“热力学第一定律”、“热力学第二定律”、“热力学第三定律”)

 (2) (10分)一定质量的理想气体由状态A经状态B变为状态C,其中AB过程为等压变化,BC过程为等容变化。已知VA=0.3m3TA=TC=300K、TB=400K。

①求气体在状态B时的体积。

②没AB过程气体吸收热量为QBC过 气体  放出热量为Q2,比较Q1Q2的大小说明原因。

17.[选修3-4](15分)

(1)(5分)验钞机发出的光能使钞票上的荧光物质发光,电视机、空调等家电上的遥控器用它的光束来遥控电视机、空调等家电,下列判断正确的是(  )

A.它们发出的都是紫外线。

B.它们发出的都是红外线。

C.验钞机发出的是红外线,遥控器发出的是紫外线。

D.验钞机发出的是紫外线,遥控器发出的是红外线。

(2)(10分)一列横波在x轴上传播,t1=0和t2=0.005 s时的波形,如图所示的实线和虚线,求:

(1)设周期大于(t2-t1),求波速;

(2)设周期小于(t2-t1),并且波速为6000 m/s,求波的传播方向.

18.[选修3-5](15分)

(1)(5分)下列说法正确的是:(  )

A.γ射线在电场和磁场中都不会偏转。

B.β射线比α射线更容易使气体电离。

C.太阳辐射的能量主要来源于重核裂变。

D.核反应堆产生的能量来自轻核聚变。

(2) (10分)如图所示,A、B两个物体之间用轻弹簧连接,放在光滑的水平面上,mA=1kg,mB=2kg,物体A紧靠竖直墙,现在用力向左慢推B使弹簧压缩,弹簧克服外力做功100J,然后由静止释放,则在以后的运动中

①弹簧拉伸到最长时,A和B物块速度的大小;

②A的最大速度是多少?

洪洞一中2010--2011学年高三第一次月考

试题详情


同步练习册答案