题目列表(包括答案和解析)

 0  138264  138272  138278  138282  138288  138290  138294  138300  138302  138308  138314  138318  138320  138324  138330  138332  138338  138342  138344  138348  138350  138354  138356  138358  138359  138360  138362  138363  138364  138366  138368  138372  138374  138378  138380  138384  138390  138392  138398  138402  138404  138408  138414  138420  138422  138428  138432  138434  138440  138444  138450  138458  447348 

3.如图3所示的电路中,两根光滑金属导轨平行放置在倾角

  为θ的斜面上,导轨下端接有电阻R,导轨电阻不计,斜面

  处在竖直向上的磁感应强度为B的匀强磁场中,电阻可略去

  不计的金属棒ab质量为m,受到沿斜面向上且与金属棒垂

  直的恒力F的作用,金属棒沿导轨匀速下滑,则它在下滑h高度的过程中,以下说

  法正确的是                                                 ( )

  A.作用在金属棒上各力的合力做功为零

  B.重力做功将机械能转化为电能

  C.重力与恒力F做功的代数和等于电阻R上产生的焦耳热

  D.金属棒克服安培力做功等于重力与恒力F做的总功与电阻R上产生的焦耳热

   之和

  解析:由于金属棒匀速下滑,故作用在棒上的各个力的合力做功为零,故A对;克

  服安培力做功将机械能转化为电能,故B错误;列出动能定理方程WGWFW

  =0,变形可得WGWFW,可知C正确,D错误.

  答案:AC

试题详情

2.如图2所示,两光滑平行金属导轨间距为L,直导线MN

  垂直跨在导轨上,且与导轨接触良好,整个装置处于垂直

  纸面向里的匀强磁场中,磁感应强度为B.电容器的电容

  为C,除电阻R外,导轨和导线的电阻均不计.现给导线

  MN一初速度,使导线MN向右运动,当电路稳定后,

  MN以速度v向右做匀速运动,则                                  ( )

  A.电容器两端的电压为零

  B.电阻两端的电压为BLv

  C.电容器所带电荷量为CBLv

  D.为保持MN匀速运动,需对其施加的拉力大小为

  解析:当导线MN匀速向右运动时,导线MN产生的感应电动势恒定,稳定后,电

  容器既不充电也不放电,无电流产生,故电阻两端无电压,电容器两极板间电压U

  EBLv,所带电荷量QCUCBLv,故A、B错,C对;MN匀速运动时,因

  无电流而不受安培力,故拉力为零,D错.

  答案:C

试题详情

7分,选对但不全的得4分,有选错的得0分)

1.(2010·宁波模拟)如图1所示,有两根和水平方向成α角的光

  滑平行的金属轨道,上端接有可变电阻R,下端足够长,空间

  有垂直于轨道平面的匀强磁场,磁感应强度为B.一根质量为m

  的金属杆从轨道上由静止滑下,经过足够长的时间后,金属杆

  的速度会趋近于一个最大速度vm,则       ( )

  A.如果B增大,vm将变大

  B.如果α变大,vm将变大

  C.如果R变大,vm将变大

  D.如果m变小,vm将变大

  解析:以金属杆为研究对象,受力如图所示.

  根据牛顿第二定律得

  mgsinαFma,其中F=.

  当a→0时,vvm

  解得vm=,

  结合此式分析即得B、C选项正确.

  答案:BC

试题详情

0.5-=0

代入数据得:B=0.5 T.

(3)设外力F作用时间为t.x1at2

v0x2at

x1+x2s,所以at2+ats

代入数据得0.2t2+0.8t-1=0,

解方程得t=1 s或t=-5 s(舍去).

(4)可能图线如下:

答案:(1)见解析 (2)0.5 T (3)1 s (4)见解析

试题详情

16.(12分)(2009·上海高考)如图17所示,光滑的平行金属导轨水平放置,电阻不计,

导轨间距为l,左侧接一阻值为R的电阻.区域cdef内存在垂直轨道平面向下的有

界匀强磁场,磁场宽度为s.一质量为m、电阻为r的金属棒MN置于导轨上,与导

轨垂直且接触良好,受到F=0.5v+0.4(N)(v为金属棒速度)的水平外力作用,从磁场

的左边界由静止开始运动,测得电阻两端电压随时间均匀增大.(已知:l=1 m,m

=1 kg,R=0.3 Ω,r=0.2 Ω,s=1 m)

图17

(1)分析并说明该金属棒在磁场中做何种运动;

(2)求磁感应强度B的大小;

(3)若撤去外力后棒的速度v随位移x的变化规律满足vv0x,且棒在运动

ef处时恰好静止,则外力F作用的时间为多少?

(4)若在棒未出磁场区域时撤出外力,画出棒在整个运动过程中速度随位移变化所对

应的各种可能的图线.

解析:(1)金属棒做匀加速直线运动

R两端电压UIEvU随时间均匀增大,即v随时间均匀增大.

所以加速度为恒量.

(2)Fvma,将F=0.5v+0.4代入

得:(0.5-)v+0.4=a

因为加速度为恒量,与v无关,所以a=0.4 m/s2

试题详情

15.(10分)如图16所示,竖直放置的等距离金属导轨宽0.5 m,垂直于导轨平面向里

的匀强磁场的磁感应强度为B=4 T,轨道光滑、电阻不计,abcd为两根完全相同

的金属棒,套在导轨上可上下自由滑动,每根金属棒的电阻为1 Ω.今在ab棒上施加

一个竖直向上的恒力F,这时abcd恰能分别以0.1 m/s的速度向上和向下做匀速滑

行.(g取10 m/s2)试求:

图 16

(1)两棒的质量;

(2)外力F的大小.

解析:(1)根据右手定则,可以判定电路中电流方向是沿acdba流动的.设ab棒的质

量为m1cd棒的质量为m2.取cd棒为研究对象,受力分析,根据平衡条件可得BIL

m2g

其中I==,得m2==0.04 kg,

根据题意判断可知m1=0.04 kg.

(2)取两根棒整体为研究对象,根据平衡条件可得

Fm1g+m2g=0.8 N.

答案:(1)0.04 kg 0.04 kg (2)0.8 N

试题详情

14.(9分)一根电阻R=0.6 Ω的导线弯成一个圆形线圈,圆半径r=1 m,圆形线圈质

m=1 kg,此线圈放在绝缘光滑的水平面上,在y轴右侧有垂直线圈平面的磁感应

强度B=0.5 T的匀强磁场,如图15所示.若线圈以初动能E0=5 J沿x轴方向滑进

磁场,当进入磁场0.5 m时,线圈中产生的电能为E=3 J.求:

图15

(1)此时线圈的运动速度的大小;

(2)此时线圈与磁场左边缘两交接点间的电压;

(3)此时线圈加速度的大小.

解析:(1)设线圈的速度为v,由能量守恒定律得

E0E+mv2.

解得:v=2 m/s.

(2)线圈切割磁感线的有效长度

L=2 = m,

电动势EBLv= V,

电流I== A,

两交接点间的电压

UIR1=×0.6× V= V.

(3)FmaBIL,所以a=2.5 m/s2.

答案:(1)2 m/s (2) V (3)2.5 m/s2

试题详情

算步骤,有数值计算的要注明单位)

13.(9分)(2010·宣武模拟)如图14所示,光滑的U形金

属导轨MNNM′水平的固定在竖直向上的匀强磁

场中,磁感应强度为B,导轨的宽度为L,其长度足

够长,M′、M之间接有一个阻值为R的电阻,其

余部分电阻不计.一质量为m、电阻也为R的金属

ab恰能放在导轨之上,并与导轨接触良好.给棒

施加一个水平向右的瞬间作用力,棒就沿轨道以初速度v0开始向右滑行.求:

(1)开始运动时,棒中的瞬时电流i和棒两端的瞬时电压u分别为多大?

(2)当棒的速度由v0减小到v0/10的过程中,棒中产生的焦耳热Q是多少?

解析:(1)开始运动时,棒中的感应电动势:

EBLv0

棒中的瞬时电流:i==

棒两端的瞬时电压:uEBLv0.

(2)由能量守恒定律知,闭合电路在此过程中产生的焦耳热:Qmv02m(v0)2

mv02

棒中产生的焦耳热为:QQmv02.

  答案:(1) BLv0 (2)mv02

试题详情

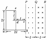
12.如图12所示,在PQQR区域中存在着磁感应强度大小相等、方向相反的匀强磁

场,磁场方向均垂直于纸面.一导线框abcdefa位于纸面内,框的邻边都相互垂直,

bc边与磁场的边界P重合.导线框与磁场区域的尺寸如图所示.从t=0时刻开始,

线框匀速横穿两个磁场区域.以abcdef为线框中的电动势E的正方向,

则如图13所示的四个Et关系示意图中正确的是                    ( )

图12

图13

解析:由右手定则和EBlv判定水平位移从0-lEBlv;从l-2l时,E=0;

从2l-3l时,E=3Blv;从3l-4l时,E=-2Blv,可知图C正确.

  答案:C

试题详情

11.如图11所示,两根水平放置的相互平行的金属导轨ab

cd,表面光滑,处在竖直向上的匀强磁场中,金属棒PQ

垂直于导轨放在上面,以速度v向右匀速运动,欲使棒

PQ停下来,下面的措施可行的是(导轨足够长,棒PQ

电阻)                                 ( )

A.在棒PQ右侧垂直于导轨再放上一根同样的金属棒

B.在棒PQ棒右侧垂直于导轨再放上一根质量和电阻均比棒PQ大的金属棒

C.将导轨的ac两端用导线连接起来

D.将导轨的ac两端和bd两端分别用导线连接起来

解析:在棒PQ右侧放金属棒时,回路中会有感应电流,使金属棒加速,棒PQ减速,

当两者获得共同速度时,回路中感应电流为零,两棒都将做匀速运动,A、B项错误.当

一端或两端用导线连接时,棒PQ的动能将转化为内能而最终静止,C、D两选项

正确.

答案:CD

试题详情


同步练习册答案