题目列表(包括答案和解析)

 0  149364  149372  149378  149382  149388  149390  149394  149400  149402  149408  149414  149418  149420  149424  149430  149432  149438  149442  149444  149448  149450  149454  149456  149458  149459  149460  149462  149463  149464  149466  149468  149472  149474  149478  149480  149484  149490  149492  149498  149502  149504  149508  149514  149520  149522  149528  149532  149534  149540  149544  149550  149558  447348 

15.从图5中得到的信息中,正确的是[   ]

图5

 A.图甲说明物体所受的重力跟它的质量成正比

 B.图乙表示物体正以5m/s的速度作匀速运动

 C.图丙告诉我们小灯泡的电阻值是固定不变的

 D.图丁警示我们一个多世纪以来人类能源消耗急剧增长

试题详情

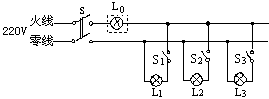
14.工人师傅常用一只标有“220V 400W”的灯泡L0(检验灯泡)取代保险丝来检查新安装的照明电路中每个支路的情况,如图4所示。当只闭合S、S1时L0不亮;当只闭合S、S2时L0和L2都呈暗红色;当只闭合S、S3时L0正常发光。由此可以判断[   ]

图4

 A.L1所在支路短路

 B.L2所在支路短路

 C.L3所在支路短路

 D.各支路均完好

试题详情

13.初中物理中有很多物理知识可以用简洁生动的语言来描述。下面列出的某位同学在课堂笔记中记录的几则老师课堂“语录”,你认为其中对应关系不合理的是[   ]

 A.灯泡串联──一荣俱荣,一损俱损

 B.电源──我对任何一个用电器都是平等的

 C.保险丝──牺牲我一个,保大家平安

 D.闸刀开关── 在家庭电路中我就是“老大”

试题详情

12.人类在探索自然规律的过程中,总结了许多科学的研究方法:等效替代法、控制变量法、实验推理法和建立理想模型法等。下列研究方法中,运用了建立理想模型法的是[   ]

 A.引入“合力”的概念

 B.将撬棒抽象为绕固定点转动的硬棒

 C.用“水压”类比“电压”

 D.保持电阻不变观察电流随电压的变化

试题详情

11.如图3所示,在扶正被风吹倒的树木时,下列措施中最合适的是[   ]

 A.绳直接系在A点

 B.绳直接系在B点

 C.在A点垫上橡皮,再系上绳

 D.在B点垫上橡皮,再系上绳

试题详情

10. 下列知识的结构中正确的是[   ]

 A.比较串联和并联的不同:

 
串联
并联
连接方式
逐个顺次连接
并列连接
有无接点


电流路径
只有一条
多条
开关个数
一个
多个

 B.改变压强的方法:

 

 C.机械能的分类:

 D.关于物理概念与运用的连线

 

试题详情

9.下列事例中接近正确的是[   ]

 A.中学生步行速度大约为4m/s;

 B.家庭照明电路电压为380V

 C.洗澡水的温度是70℃   

 D.物理课本对水平桌面的压强为50Pa

试题详情

8.MP3随身听以其独特的魅力成为年轻人的时尚,它允许使用充电电池,在电池充电过程中是将______________能转化为         能。

试题详情

7.2006年3月1日,我国开始实施彩电能效新标准,规定待机功率高于9W的彩电不能进入市场销售。小华想了解家中彩电是否符合新能效标准,他将100W的灯泡单独接入电路中,观察电能表1min转了5转,则该电能表每千瓦时的实际转数应是________r,再让这台彩电单独接入电路并处于待机状态,电能表5min转了2转,由此判断该彩电的待机功率为_____W。若每天待机按20h计算,小明家每月(按30天计)因彩电待机消耗的电能约为__________kW·h。在使用彩电过程中,就如何降低彩电电能消耗,请你提出两条合理化建议。

 (1)________________________________________________________________;

 (2)                                

试题详情

6.“用电流表测电流”的实验中,某同学接成如图2(a)所示的电路。当开关闭合后,两灯都发光,两个电流表的指针所指位置均为图2(b)所示,则通过灯L1的电流为    A,通过灯L2的电流为    A。

图2

试题详情


同步练习册答案