题目列表(包括答案和解析)

 0  159578  159586  159592  159596  159602  159604  159608  159614  159616  159622  159628  159632  159634  159638  159644  159646  159652  159656  159658  159662  159664  159668  159670  159672  159673  159674  159676  159677  159678  159680  159682  159686  159688  159692  159694  159698  159704  159706  159712  159716  159718  159722  159728  159734  159736  159742  159746  159748  159754  159758  159764  159772  447348 

10.一交流电的电流随时间的变化图象如图4

所示,则此交流电的有效值是(     )

A、  5A       B、  5A  

C、  3.5A       D、  3.5A

试题详情

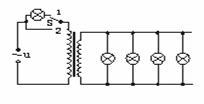
9.有5个完全相同的灯泡连接在理想变压器的原、副线圈中,如图所示.若将该线路与交流电源接通,且开关S接在位置1时,5个灯泡发光亮度相同;若将开关S接在位置2时,灯泡均未烧坏.则下列可能的是  (AC  )                       

A.该变压器是降压变压器,原、副线圈匝数比为4∶1

B.该变压器是升压变压器,原、副线圈匝数比为1∶4

C.副线圈中的灯泡仍能发光,只是更亮些

D.副线圈中的灯泡仍能发光,只是亮度变暗

试题详情

8.如图10所示,A、B两灯相同,L是带铁芯的电阻可不计的线圈,下列说法中正确的是(  D   )

A.开关K合上瞬间, A慢慢亮起来, B立即亮起来,

B.K合上稳定后, A、B同时亮着

   C.K断开瞬间,  A、B同时熄灭

D.K断开瞬间,B立即熄灭,A过一会儿再熄灭

试题详情

7.静电场和磁场对比,错误的是  C  

A.电场线不闭合,磁感线闭合      

 B.静电场和磁场都可使运动电荷发生偏转

C.静电场和磁场都能对运动电荷做功   

 D.静电场和磁场都可使运动电荷产生加速度

试题详情

6.如图所示,在示波管的正下方有一根水平放置与示波管平行的通电直导线,电流方向与电子束的方向相同,均水平向右,则示波管中的电子束将  .A    

A.向上偏转      B.向下偏转;

  C.向纸外偏转;     D.向纸里偏转.

试题详情

5.在如图3所示的匀强磁场中有一光滑的金属轨道,

轨道上放有两根平行金属棒AB、CD.当棒AB向右

平行移动时,棒CD将(C  )

  A. 保持静止      B. 向左运动

  C. 向右运动      D. 发生转动

试题详情

4.一矩形线圈在匀强磁场中匀速转动产生的交流瞬时值表达式i=10sin10ptA,

 则下列表述中正确的是(AD  )

 A.此交流的峰值是10A

  B.此交流的有效值是10A

  C. 用交流电流表测量此交流的示数是10A

 D. 用交流电流表测量此交流的示数是10A

试题详情

3.如图2所示在真空中有匀强电场,其场强为E,将一个带负电的点电荷q从图中的A点沿直线AB移 动到B点,已知AB长度为L,AB和E的方向间夹角为45°,在上述运动过程中,有( D  )

   A.电场力对电荷做正功,大小为qEL

   B.电场力对电荷做负功,大小为qEL

   C.电场力对电荷做正功,大小为qEL/

   D.电场力对电荷做负功,大小为qEL/

试题详情

2.在如图1所示的匀强磁场中,已经标出了电流I和磁场B以及磁场对电流作用力F

  三者的方向,其中错误的是(  C  )

试题详情

1.A、B两个大小相同的金属小球,A带有6Q正电荷,B带有3Q负电荷,当它们在远大于自身直径处固定时,其间静电力大小为F.另有一大小与A、B相同的不带电小球C,若让C 先与A接触,再与B接触,拿走C球后,A、B间静电力的大小变为  D  

A.6F       B.3F      C.F       D.零

试题详情


同步练习册答案