题目列表(包括答案和解析)

 0  159662  159670  159676  159680  159686  159688  159692  159698  159700  159706  159712  159716  159718  159722  159728  159730  159736  159740  159742  159746  159748  159752  159754  159756  159757  159758  159760  159761  159762  159764  159766  159770  159772  159776  159778  159782  159788  159790  159796  159800  159802  159806  159812  159818  159820  159826  159830  159832  159838  159842  159848  159856  447348 

14.(12分)如图,在质量为M的无下底的木箱顶部用一根轻弹簧悬挂质量均为m的A和B两物体,(M> m)。箱子放在水平地面上,平衡后剪断A和B间的连线,此后A将做简谐运动,当A运动到最高点时,木箱对地面的压力?

试题详情

13.(12分)如图所示为一个三棱镜横截面,∠A=30°,∠B=90°,棱镜材料折射率

试题详情

12.在原点的波源S产生一列沿x轴正方向传播的波,波速V=400m/s,已知t=0时,波已经传播到x=40m处,如图所示.在x=400m处有一接收器A(图中未标出)

A.波源的起振方向向上

B.x=40m的质点在t=0.5s时位移为最大

C.接收器t=1s时才能接收到此波

D.若波源向x轴负方向移动,则接收器接收到的波的频率将变小

II卷

试题详情

11.在倾角为θ的两平行光滑长直金属导轨的下端,接有一电阻R,导轨自身的电阻可忽略不计,有一匀强磁场与两金属导轨平面垂直,方向垂直于导轨面向上,质量为m,电阻可不计金属棒ab,在沿着导轨面且与棒垂直的恒力F作用下沿导轨匀速上滑,上升高度为h,如图所示。则在此过程中    (     )

A. 恒力F在数值上等于mgsinθ

B. 恒力F对金属棒ab所做的功等于mgh

C. 恒力F与重力的合力对金属棒ab做做的功等于电阻R上释放的焦耳热

D. 恒力F与重力的合力对金属棒ab所做的功等于零

 

试题详情

10、如图7、R1 、R2为定值电阻,L为小灯泡,R3为光敏电阻,当照射光强度增大时,(   )

图7
 
A 电压表的示数增大   

B. R2中电流减小

C 小灯泡的功率增大   

D 电路的路端电压增大

试题详情

9、如图6,理想变压器原、副线圈的匝数比n1 :n2=4:1 ,当导体棒L在匀强磁场中向左做匀速运动切割磁感线时,电流表A1的示数是12mA ,则电流表A2的示数是(    )

A  3mA 

图6
 
B  0mA

C  48mA

D  与负载R的值有关

试题详情

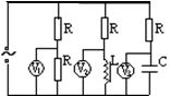
8、在图5所示的交流电路中,保持电源电动势一定,当交变电流的频率增大时,各交流电压表的示数将(    )

A  V1 、V3增大,V2减小

图5
 
B  V1 不变, V2减小,V3增大

C  V1 不变, V2增大,V3减小

D  V1 、V2、V3都不变

试题详情

7、如图4,电池的电动势为E,内阻不计,线圈的自感系数较大,直流电阻不计,当开关S闭合后,下列说法正确的是(     )

A a、b间电压逐渐增加,最后等于E

图4
 
B b、c间电压逐渐增加,最后等于E

C a、c间电压逐渐增加,最后等于E

D 电路中电流逐渐增加,最后等于E/R

试题详情

6.弹簧振子做简谐运动,周期为T.则

A.t时刻和时刻,振子振动的位移大小相等,方向相同,则一定等于T的整数倍

  B、t时刻和t+时刻,振子振动的速度大小相等.方向相反。则一定等了T/2的整数倍

  C、若=T,则在t时刻和t+时刻振子振动的加速度一定相等

  D、若=T/2.则在t时刻t+时刻弹簧的长度一定相等

试题详情

5.一列沿X轴传播的简谐波,波速为4m/s,某时刻的波形图

  象如右图所示.此时X=8m处的质点具有正向最大速度,

  则再过4.5s:  

  A.x=4m处质点具有正向最大加速度 

 B.x=2m处质点具有负向最大速度   

C.x=O处质点一定有负向最大加速度  

  D.x=6m处质点通过的路程为20cm 

试题详情


同步练习册答案