题目列表(包括答案和解析)

 0  161274  161282  161288  161292  161298  161300  161304  161310  161312  161318  161324  161328  161330  161334  161340  161342  161348  161352  161354  161358  161360  161364  161366  161368  161369  161370  161372  161373  161374  161376  161378  161382  161384  161388  161390  161394  161400  161402  161408  161412  161414  161418  161424  161430  161432  161438  161442  161444  161450  161454  161460  161468  447348 

16.(10分)如图所示,两平行光滑金属导轨宽d,与电源连通,导轨平面与水平方向的夹角θ角,导轨上放置一质量为m的金属棒MN。当导体棒中通有电流I时,为使其能静止在导轨上,需在金属棒所在的空间加一匀强磁场。

(1)若要磁场的磁感应强度最小,所加磁场方向如何?磁感应强度最小值为多大?

(2)如果导体棒MN静止在导轨上且对导轨无压力,则所加的匀强磁场的磁感强度大小和方向如何?

试题详情

    14.(10分)如图所示为法拉第圆盘发电机的示意图:铜盘安装在水平的铜轴上,已知铜盘的直径为d,铜盘的电阻可忽略。整个铜盘处于垂直于盘面的匀强磁场B中,铜盘以角速度ω匀速转动,两铜片C、D分别与转动轴和铜盘的边缘接触,通过连接导线对电阻R供电。

(1)试判断电阻R中电流方向

(2)写出发电机产生的电动势的表达式

(3)写出电阻R中电流的表达式

15.(10分)一台电动机,线圈电阻是0.4Ω,当电动机两端加220V电压时,通过电动机的电流是50A,求:

(1)电动机线圈的发热功率

(2)电动机输出的机械功率

(3)电动机线圈中产生的反电动势

试题详情

13. (8分)表格中所列数据是测量小灯泡U-I关系的实验数据:

U( V)
0.0
0.2
0.5
1.0
1.5
2.0
2.5
3.0
I( A )
0.000
0.050
0.100
0.150
0.180
0.195
0.205
0.215

(1)分析上表内实验数据可知,应选用的实验电路图是图    (填“甲”或“乙” );

(2)在方格纸内画出小灯泡的U-I曲线。分析曲线可知小灯泡的电阻随I变大而

     (填“变大” 、“变小”或“不变” );

(3)如图丙所示,用一个阻值为10Ω定值电阻R和上述小灯泡组成串联电路,连接到内阻不计、电动势为3V的电源上。则流过灯泡的电流约为    A。

试题详情

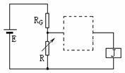
   11.(5分)某同学设计了一个路灯自动控制门电路,如图所示。天黑了,让路灯自动接通,天亮了,让路灯自动熄灭。图中RG是一个光敏电阻,当有光照射时,光敏电阻的阻值会显著地减小。R是可调电阻,起分压作用。J为路灯总开关控制继电器(图中未画路灯电路)

(1)请在图中虚线框内填入需要的门电路符号

(2)如果路灯开关自动接通时天色还比较亮,为了让路灯在天色更暗时才自动接通开关,应      电阻R(选填增加或减小)

12.(5分)图中的A、B、C为黑箱(即看不见内部电路结构的一个盒子)上的三个接点,两个接点间最多只能接一个电学元件。为探明内部结构,某同学用多用电表进行了四步测量:

(1)用直流电压挡测量:A、B、C三点间均无电压;

(2)用欧姆挡测量:A、C间正反向电阻完全相同;

(3)用欧姆挡测量:黑表笔接A点、红表笔接B点,有电阻;反接阻值很大;

(4)用欧姆挡测量:黑表笔接C点、红表笔接B点,有电阻;阻值比第(2)步测得的大;反接阻值很大;

试在右边框中画出黑箱内元件的连接图。

试题详情

10.如图所示,带电平行板中匀强电场方向竖直向上,匀强磁场方向水平向里,某带电小球从光滑绝缘轨道上的a点自由滑下,经过轨道端点P进入板间后恰好沿水平方向做直线运动.现使球从轨道上较低的b点开始滑下,经P点进入板间后,在板间运动过程中(  )

(A) 小球动能将会增大  

(B) 小球的电势能将会增大

(C) 小球所受的洛仑兹力将会增大

(D) 因不知小球带电性质,不能判断小球的动能如何变化

试题详情

9.如图所示的是电视机显像管及其偏转线圈L,如果发现电视画面幅度比正常时偏小,可能是下列哪些原因造成的(   )

(A) 电子枪发射能力减弱,电子数减少

(B) 加速电场电压过高,电子速率偏大

(C) 偏转线圈匝间短路,线圈匝数减小

(D) 偏转线圈电流过小,偏转磁场减弱

试题详情

8.在图所示电路中,电容器C的上极板带正电,为了使该极板带正电且电量增大,下列办法中可行的是(   )

(A) 增大R1,其它电阻不变

(B) 增大R2,其它电阻不变

(C) 增大R3,其它电阻不变

(D) 增大R4,其它电阻不变

试题详情

7.MN是匀强磁场中的一块薄金属板,带电粒子(不计重力)在磁场中运动并穿过金属板,运动轨迹如图所示,则(   )

(A)  粒子带负电  

(B)  粒子运动方向是abcde

(C) 粒子运动方向是edcba

(D) 粒子在上半周所用时间比下半周所用时间长

试题详情

6.将条形磁铁N极沿相同的路径插入线圈内,第一次插入时的速度较大,第二次插入的速度较小,两次插入的深度相同,这两次插入磁铁的过程中,不发生变化的是(   )

(A) 线圈内的磁通量的变化量

(B) 线圈内的感应电流的大小

(C) 线圈内的感应电流的方向

(D) 通过线圈横截面的电量

试题详情

5.用欧姆表测一个电阻R的阻值,选择旋钮置于“×10”档,测量时指针指在100与200刻度弧线的正中间,可以确定(  )

    (A) R=150Ω            (B) R=1500Ω

(C) 1000Ω<R<1500Ω     (D) 1500Ω<R<2000Ω

试题详情


同步练习册答案