题目列表(包括答案和解析)

 0  161530  161538  161544  161548  161554  161556  161560  161566  161568  161574  161580  161584  161586  161590  161596  161598  161604  161608  161610  161614  161616  161620  161622  161624  161625  161626  161628  161629  161630  161632  161634  161638  161640  161644  161646  161650  161656  161658  161664  161668  161670  161674  161680  161686  161688  161694  161698  161700  161706  161710  161716  161724  447348 

32.关于垂直于磁场方向的通电直导线所受磁场作用力的方向,正确的说法是

A、跟磁场方向垂直,跟电流方向平行;

B、跟电流方向垂直,跟磁场方向平行;

C、既跟磁场方向垂直,又跟电流方向垂直;

D、既不跟磁场方向垂直,也不跟电流方向垂直.

试题详情

31.平行板电容器的两极板分别带等量的异种电荷,A、B是板间的两任意点,已知一带电量为q=1.0×10-9C电荷,在A点所受的电场力为3×10-6N,则下列说法不正确的是

A、若将q的带电量增大为原来的2倍,则所受的电场 

力为6×10-6N

B.若将q的电性改变,则其所受的力的方向改变

C.若将q放在B点,所受的电场力仍为3×10-6N

D.若不在A、B两点放电荷,则A、B两点的场强为零

试题详情

30.图所示电路的三根导线中,有一根是断的,电源、电阻器及另外两根导线都是好的为了查出断导线,某同学想先将多用电表的红表笔接在电源的正极a,再将黑表笔分别接在电阻器b端和c端,并观察多用电表指针的示数下列选档,符合操作规程的是

A.直流10 V挡

B直流0.5 A挡                          C.直流2.5 V挡

D欧姆挡

试题详情

29.利用超导材料零电阻的性质,可实现无损耗输电.现有一直流电路,输电线的总电阻为0.4Ω,它提供给用电器的电功率为40kW,电压为800V.如果用临界温度以下的超导电缆替代原来的输电线,保持供给用电器的功率和电压不变,那么节约的电功率为(   )

A、1kW   B、1.6×103kW   C、1.6kW  D、10kW

试题详情

28.关于电阻率的正确说法是(   ).

A.电阻率ρ与导体的长度l和横截面积S有关

B.电阻率表征了材料导电能力的强弱,由导体的材料决定,且与温度有关

C.电阻率大的导体,电阻一定很大

D.有些合金的电阻率几乎不受温度变化的影响,可用来制成电阻温度计

试题详情

27.方向水平向右的匀强电场E中,一带电粒子从A点飞入,B点飞出,粒子运动轨迹如图,则带电粒子:(重力不计)

E
 
①一定带负电;

②可能带正电,也可能带负电;

③在电场中作减速运动,电势能增加;               

④受到的电场力一定水平向左;

A.①④   B.②④      C.①③④     D.②③

试题详情

26.如图示是两个电阻R1、R2的伏安特性曲线,当给它们 

加上相同的电压,则它们的电流之比是(  )

   A、2 :1  B、3:1

C、1:3  D、:1

试题详情

25.一粗细均匀的镍铬丝,电阻为R。把它对折并起来,它的电阻变为(  )

   A.R/2   B.R/4

   C.4R    D.2R

试题详情

24.下图为两个不同闭合电路中两个电源的U-I图像,下列判断正确的是(  )

 A.电动势E1=E2,发生短路时的电流I1< I2

 B.电动势E1=E2,内阻r1>r2

 C.电动势E1>E2,内阻 r1< r2

D.当两电源的工作电流变化量相同时,电源2的路端电 

压变化大

试题详情

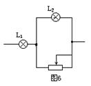
23.如图6所示,L1,L2是两个规格不同的灯泡,当它们如图连接时,恰好都能正常发光, 设电路两端的电压保持不变,现将变阻器的滑片向右移动,在这个过程中L1和L2两灯的亮度变化情况是(  )

A.L1亮度不变,L2变暗

   B.L1变暗,L2变亮

   C.L1变亮,L2变暗

   D.L1变暗,L2亮度不变

试题详情


同步练习册答案