题目列表(包括答案和解析)

 0  161566  161574  161580  161584  161590  161592  161596  161602  161604  161610  161616  161620  161622  161626  161632  161634  161640  161644  161646  161650  161652  161656  161658  161660  161661  161662  161664  161665  161666  161668  161670  161674  161676  161680  161682  161686  161692  161694  161700  161704  161706  161710  161716  161722  161724  161730  161734  161736  161742  161746  161752  161760  447348 

13.如图是电熨斗的结构图,它装有双金属片温度传感器,其作用是控制电路的通断,常温下右图中上下触点是     (填“接触”或“分离”),当温度升高时双金属片     _(填“上层”或“下层”)膨胀比另一层大。若需要设定更高的温度,则应该调节升降螺 丝向    (填“上 ”或“下 ”)。

试题详情

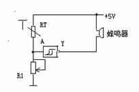
12.左下图是温度报警器电路示意图,下列关于对此电路的分析正确的是(    )   

A. 当RT的温度升高时,RT减小,A端电势降低,Y端电势升高,蜂鸣器会发出报警声

B. 当RT的温度升高时,RT减小,A端电势升高,Y端电势降低,蜂鸣器会发出报警声

C. 当增大RT时,A端电势升高,Y端电势降低,蜂鸣器会发出报警声

D. 当增大RT时,A端电势降低,Y端电势升高,蜂鸣器会发出报警声

试题详情

11.演示位移传感器的工作原理如图所示,物体M在导轨上平移时,带动滑动变阻器的金属滑杆P,通过电压表显示的数据,来反映物体位移的大小x,假设电压表是理想的,则下列说法正确的是(    )

A.物体M运动时,电源内的电流会发生变化

B.物体M运动时,电压表的示数会发生变化

C.物体M不动时,电路中没有电流

D.物体M不动时,电压表没有示数

试题详情

10. 下列说法正确的是(    )

A.话筒是一种常用的声传感器,其作用是将声信号转换为电信号

B.楼道里的灯只有天黑时出现声音才亮,说明它的控制电路中只有声传感器

C.光敏电阻能够把光照强弱这个光学量转换为电阻这个电学量

D.电子秤所使用的测力装置是温度传感器 

试题详情

9. 如图所示是由基本逻辑电路构成的一个公路路灯自动控制电路,图中虚线框内M是一只感应元件,虚线框N中使用的是门电路.则(   )

A.M为光敏电阻,N为与门电路

B.M为光敏电阻,N为非门电路

C.M为热敏电阻,N为非门电路

D.M为热敏电阻,N为或门电路

试题详情

8. 如图3所示为光敏电阻自动计数器的示意图,其中A是发光仪器,B是传送带上物品,R1为光敏电阻,R2为定值电阻,此光电计数器的基本工作原理是(    )

(A)当有光照射R1时,信号处理系统获得高电压

(B)当有光照射R1时,信号处理系统获得低电压

(C)信号处理系统每获得一次低电压就记数一次

(D)信号处理系统每获得一次高电压就记数一次

试题详情

7. 用遥控器调换电视机频道的过程,实际上就是传感器把光信号转化为电信号的过程。下列属于这类传感器的是(   )

    A.红外报警装置                B.走廊照明灯的声控开关

    C.自动洗衣机中的压力传感装置        D.电饭煲中控制加热和保温的温控器

试题详情

6.在自动恒温装置中,某种半导体材料的电阻率与温度的关系图所示,已知这种材料具有发热和控温双重功能,下列说法正确的是:

(1)通电前材料的温度低于t1,通电后,

电压保持不变,它们功率是(    )

A.先增大后减小    B.先减小后增大 

C.达到某一温度后功率不变      D.功率一直在变化

(2)其产生的热量与散发的热量相等时,温度保持在  (   )

A.t1                 B.t2

  C.t1到t2的某个温度上       D.大于t2的某个温度上

试题详情

5.传感器是采集信息的一种重要元件,如图1所示是一种电容式压力传感器,左边下面为可动电极,它的两端固定,当待测压力作用于可动电极时,使它发生形变,从而改变传感器的电容,若流经灵敏电流计的电流方向向左时,指针向右偏,则待测压力突然增大时(   )

A.电容器的电容增大

B.电容器的电容减少

C.灵敏电流计指针向左偏 

 D.灵敏电流计指针向右偏

试题详情

4.雷达是利用电磁波来测定物体的位置和速度的设备,它可以向一定方向发射不连续的电磁波,当遇到障碍物时要发生反射.雷达在发射和接收电磁波时,在荧光屏上分别呈现出一个尖形波.某型号防空雷达发射相邻两次电磁波之间的时间间隔为5×104s.现在雷达正在跟踪一个匀速移动的目标,某时刻在雷达监视屏上显示的雷达波形如图19甲所示,30s后在同一方向上监视屏显示的雷达波形如图乙所示.已知雷达监视屏上相邻刻线间表示的时间间隔为104s,电磁波在空气中的传播速度3×108m/s,则被监视目标的移动速度最接近(   )

   A.1200m/s         B.900m/s     C.500m/s     D.300m/s

试题详情


同步练习册答案