题目列表(包括答案和解析)

 0  161925  161933  161939  161943  161949  161951  161955  161961  161963  161969  161975  161979  161981  161985  161991  161993  161999  162003  162005  162009  162011  162015  162017  162019  162020  162021  162023  162024  162025  162027  162029  162033  162035  162039  162041  162045  162051  162053  162059  162063  162065  162069  162075  162081  162083  162089  162093  162095  162101  162105  162111  162119  447348 

11.BD 12.D 13.A

试题详情

6.D 7.BC 8.C 9.B 10.ABCD

试题详情

1.D 2.BD 3.BCD 4.D 5.C

试题详情

20.有一条河流,河水流量为4m3/s,落差为5m,现利用它来发电,使用的发电机总效率为50%,发电机输出电压为350V,输电线的电阻为4Ω,允许输电线上损耗功率为发电机输出功率的5%,而用户所需要电压为220V,求所用的升压、降压变压器上原、副线圈的匝数比.变压器为理想变压器输电线路如图6所示.

变压器、电能的输送练习答案

试题详情

19.如图5变压器两个次级线圈匝数比为n1∶n2,所接负载R1=R2,当只闭合电键S1时,初级线圈中电流为1A;当只闭合电键S2时,初级线圈中电流为2A,设输入的交变电压不变,求n1∶n2

试题详情

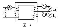
18.如图4所示,理想变压器的线圈匝数分别为n1=2200匝,n2=600匝,n3=3700匝,已知交流电表A2示数为0.5A,A3示数为0.8A则电流表A1的示数为______.

试题详情

17.变压器接入某输电电路中,现以相同的输入电压U,不同的输出电压输送相同的电功率P,输电线电阻为R.当副线圈与原线圈匝数比为K时,输电线线路上损耗的功率为______;当匝数比为nK时,线路上损耗的功率为原来的______倍.

试题详情

16.发电厂输出功率为9900kW,输电线电阻为2Ω,分别用18kV和110kV的高压输电,则导线上损失的功率分别为___________,________.

试题详情

15.如图3用理想变压器给变阻器R供电,设输入交变电压不变.当变阻器R上的滑动触头P向上移动时,图中四只电表的示数和输入功率P变化情况是V1______,V2______,A1______,A2______,P______.

试题详情

14.如图2所示,副线圈上有一个标有“220V,10W”字样的灯泡正常发光,原线圈中的电流表示数为0.025A,则电压表的示数为______V,原、副线圈的匝数比为______.

试题详情


同步练习册答案