题目列表(包括答案和解析)

 0  161931  161939  161945  161949  161955  161957  161961  161967  161969  161975  161981  161985  161987  161991  161997  161999  162005  162009  162011  162015  162017  162021  162023  162025  162026  162027  162029  162030  162031  162033  162035  162039  162041  162045  162047  162051  162057  162059  162065  162069  162071  162075  162081  162087  162089  162095  162099  162101  162107  162111  162117  162125  447348 

10.如图10所示,在一蹄形磁铁两极之间放一个矩形线框abcd。磁铁和线框都可以绕竖直轴OO′自由转动。若使蹄形磁铁以某角速度转动时,线框的情况将是 [ ]

 A.静止

 B.随磁铁同方向转动

 C.沿与磁铁相反方向转动

 D.要由磁铁具体转动方向来决定

试题详情

9.如图9所示,光滑杆ab上套有一闭合金属环,环中有一个通电螺线管。现让滑动变阻器的滑片P迅速滑动,则 [ ]

 A.当P向左滑时,环会向左运动,且有扩张的趋势

 B.当P向右滑时,环会向右运动,且有扩张的趋势

 C.当P向左滑时,环会向左运动,且有收缩的趋势

 D.当P向右滑时,环会向右运动,且有收缩的趋势

试题详情

8.如图8所示,要使Q线圈产生图示方向的电流,可采用的方法有 [ ]

 A.闭合电键K

 B.闭合电键K后,把R的滑动方向右移

 C.闭合电键K后,把P中的铁心从左边抽出

 D.闭合电键K后,把Q靠近P

试题详情

6.如图6所示,光滑导轨MN水平放置,两根导体棒平行放于导轨上,形成一个闭合回路,当一条形磁铁从上方下落(未达导轨平面)的过程中,导体P、Q的运动情况是: [ ]

 A.P、Q互相靠扰

 B.P、Q互相远离

 C.P、Q均静止

 D.因磁铁下落的极性未知,无法判断

 7如图7所示,一个水平放置的矩形线圈abcd,在细长水平磁铁的S极附近竖直下落,由位置Ⅰ经位置Ⅱ到位置Ⅲ。位置Ⅱ与磁铁同一平面,位置Ⅰ和Ⅲ都很靠近Ⅱ,则在下落过程中,线圈中的感应电流的方向为 [ ]

 A.abcda

 B.adcba

 C.从abcda到adcba

 D.从adcba到abcda

试题详情

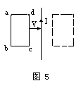
5.如图5所示,导线框abcd与导线在同一平面内,直导线通有恒定电流I,当线框由左向右匀速通过直导线时,线框中感应电流的方向是 [ ]

 A.先abcd,后dcba,再abcd

 B.先abcd,后dcba

 C.始终dcba

 D.先dcba,后abcd,再dcba

 E.先dcba,后abcd

试题详情

4.在匀强磁场中放一电阻不计的平行金属导轨,导轨跟大线圈M相接,如图4所示.导轨上放一根导线ab,磁感线垂直于导轨所在平面.欲使M所包围的小闭合线圈N产生顺时针方向的感应电流,则导线的运动可能是 [ ]

 A.匀速向右运动

 B.加速向右运动

 C.匀速向左运动

 D.加速向左运动

试题详情

3.如图3所示,闭合矩形线圈abcd从静止开始竖直下落,穿过一个匀强磁场区域,此磁场区域竖直方向的长度远大于矩形线圈bc边的长度,不计空气阻力,则 [ ]

 A.从线圈dc边进入磁场到ab边穿过出磁场的整个过程,线圈中始终有感应电流

 B.从线圈dc边进入磁场到ab边穿出磁场的整个过程中,有一个阶段线圈的加速度等于重力加速度

 C.dc边刚进入磁场时线圈内感应电流的方向,与dc边刚穿出磁场时感应电流的方向相反

 D.dc边刚进入磁场时线圈内感应电流的大小,与dc边刚穿出磁场时感应电流的大小一定相等

试题详情

2.M和N是绕在一个环形铁心上的两个线圈,绕法和线路如图2,现将开关S从a处断开,然后合向b处,在此过程中,通过电阻R2的电流方向是 [ ]

 A.先由c流向d,后又由c流向d

 B.先由c流向d,后由d流向c

 C.先由d流向c,后又由d流向c

 D.先由d流向c,后由c流向d

试题详情

1.位于载流长直导线近旁的两根平行铁轨A和B,与长直导线平行且在同一水平面上,在铁轨A、B上套有两段可以自由滑动的导体CD和EF,如图1所示,若用力使导体EF向右运动,则导体CD将 [ ]

 A.保持不动

 B.向右运动

 C.向左运动

 D.先向右运动,后向左运动

试题详情

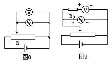
14.自己修理过的一个量程为5V的电压表按下述方法校验。先按图8接好电路,V0为标准电压表,V为待校准的电压表。移动变阻器R上的滑动触头,到V满刻度值是5V时,V0示数为4.5V。再按图9电路将待校电压表串联一个标准电阻R0,R0的大小为2.7kΩ,重新移动变阻器R的滑动触头,当待校表V的指针仍偏转到满刻度值时,V0示数为9V。问应采取什么措施来调准这个刚修好的电压表?

试题详情


同步练习册答案