题目列表(包括答案和解析)

 0  162109  162117  162123  162127  162133  162135  162139  162145  162147  162153  162159  162163  162165  162169  162175  162177  162183  162187  162189  162193  162195  162199  162201  162203  162204  162205  162207  162208  162209  162211  162213  162217  162219  162223  162225  162229  162235  162237  162243  162247  162249  162253  162259  162265  162267  162273  162277  162279  162285  162289  162295  162303  447348 

16.(12分)如图16所示,质量,边长,总电阻的正方形线框,共匝,其一半面积处在一垂直线圈平面的均匀变化的匀强磁场中,。求:

(1)时,悬挂线框的线的张力为多少?

(2)为何值时,线框开始运动?()

(3)从至线框开始运动这一过程中,线框中产生的平均感应电动势及通过某一横截面的电量

试题详情

15.(12分)如图15所示,一束电荷量为e的电子以垂直于磁感应强度B并垂直于磁 场边界的速度v射入宽度为d的匀强磁场中,穿出磁场时速度方向和原来射入方向的夹角为θ=600。求穿越磁场的轨道半径、电子的质量和穿越磁场的时间。

试题详情

14.(12分)质谱仪的构造如图14所示,离子从离子源出来经过板间电压为U的加速 电场后进人磁感应强度为B的匀强磁场中,沿着半圆周运动而达到记录它的照相底片上,测得图中PQ的距离为L,则该粒子的荷质比q/m为多大?

图14
 
 

试题详情

13.(12分)如图13所示,一根长L=0.2m的金属棒放在倾角为θ=370的 光滑斜面上,并通以I=5A电流,方向如图8所示,整个装置放在磁感应强度为B=0.6T,竖直向上的匀强磁场中,金属棒恰能静止在斜面上,则该棒的重力为多少?

试题详情

12.如图所示,虚线框内是磁感应强度为B的匀强磁场,导线框的三条竖直边的电阻均为r,长均为L,两横边电阻不计,线框平面与磁场方向垂直。当导线框以恒定速度v水平向右运动,ab边进入磁场时,ab两端的电势差为U1,当cd边进入磁场时,ab两端的电势差为U2,则(  )

A、U1=BLv   B、U1=BLv   C、U2=BLv  D、U2=BLv

试题详情

11.如图所示装置中,cd杆原来静止。当ab 杆做如下那些运动时,cd杆将向右移动(  )

A、向右匀速运动         B、向右加速运动

C、向左加速运动         D、向左减速运动

试题详情

10.穿过一个电阻为2的闭合线圈的磁通量每秒均匀减小0.4Wb,则线圈中(  )

A、感应电动势为0.4V    B、感应电动势每秒减小0.4V

C、感应电流恒为0.2A    D、感应电流每秒减小0.2A

试题详情

9. 下列与磁场有关的物理概念中,正确的是   (   )

A.磁感线的切线方向表示磁场的方向,其疏密表示磁感应强度的大小

B.磁感应强度的方向跟放入磁场中的受磁场力作用的电流方向有关

C.磁感应强度是描述磁场强弱的物理量,是矢量

D.电流的磁场的方向跟产生磁场的电流方向有关,而与放入磁场中的受磁场力作用的电流无关

试题详情

8..长为a宽为b的矩形线圈,在磁感强度为B的匀强磁场中垂直于磁场的OO′轴以恒定的角速度ω旋转,设t=0时,线圈平面与磁场方向平行,则此时磁通量和磁通量的变化率分别是(  )

 

试题详情

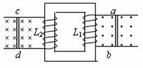
7.在匀强磁场中,有一接有电容器的导线回路,如图,已知C=30μF ,L1= 5cm,L2 = 8cm ,磁场以5×10-2 T/s的速率增强,则(  )

A、电容器上板带正电,带电量为2×10-9C

B、电容器上板带负电,带电量为4×10-9C

C、电容器上板带正电,带电量为6×10-9C

D、电容器上板带负电,带电量为8×10-9C

试题详情


同步练习册答案