题目列表(包括答案和解析)

 0  162443  162451  162457  162461  162467  162469  162473  162479  162481  162487  162493  162497  162499  162503  162509  162511  162517  162521  162523  162527  162529  162533  162535  162537  162538  162539  162541  162542  162543  162545  162547  162551  162553  162557  162559  162563  162569  162571  162577  162581  162583  162587  162593  162599  162601  162607  162611  162613  162619  162623  162629  162637  447348 

12. (12分)如图所示是一列沿x轴正方向传播的简谐横波在t=0时刻的波形图,已知波的传播速度v=2m/s.试回答下列问题:

(1)该简谐横波的波长、周期分别为多少?

(2)求出x=1.0m处质点在0-4.5s内通过的路程及t=4.5s时的位移;

(3)写出x=1.0m处质点的位移随时间变化的表达式。

试题详情

11.(12分) 传感器是指这样一类元件:它能够感受诸如力、温度、光、声、化学成分等非电学量,并能把它们按照一定的规律转换为电压、电流等电学量,或转换为电路的通断。把非电学量转换为电学量以后,就可以很方便地进行测量、传输、处理和控制了。

(1)下列关于传感器说法正确的是  ▲ 

  A.霍尔元件能够把磁感应强度这个磁学量转换为电阻这个电学量;

  B.话筒是一种常用的声传感器,其作用是将电信号转换为声信号;

  C.热敏电阻能把温度这个热学量转换为电阻这个电学量;

  D.电熨斗能够自动控制温度的原因是它装有双金属片温度传感器,这种传感器的作用是控制电路的通断。

 

(2) 有一种测量压力的电子秤,其原理图如图所示。E是内阻不计、电动势为6V的电源。R0是一个阻值为300Ω的限流电阻。G是由理想电流表改装成的指针式测力显示器。R是一个压敏电阻,其阻值可随压力大小变化而改变,其关系如下表所示。C是一个用来保护显示器的电容器。秤台的重力忽略不计。试分析:

①利用表中的数据归纳出电阻R随压力F变化的函数式R=     Ω;

②若电容器的耐压值为5V,该电子秤的最大称量值为    ▲     N;

③如果把电流表中电流的刻度变换成压力刻度,则该测力显示器的刻度   ▲   。(填均匀或不均匀)。

试题详情

10.(10分)(1)(4分)在用单摆测定重力加速度的实验中,测得摆线的长度为L0 、摆球的直径为d实验时用拉力传感器测得摆线的拉力F随时间t变化的图象如图所示, 由图可得重力加速度的表达式g=  ▲   

(2)(6分)取一轻质弹簧,上端固定在铁架台上,下端系一

金属小球,如图甲所示。一位同学用此装置研究竖直弹簧振子

的周期T与小球质量m的关系,并猜想T2m成正比。他多

次换用质量不同的小球进行实验并测得相应的周期,具体数据

如下表。

m/kg
0.10
0.20
0.30
0.40
0.50
0.60
0.70
T/s
0.35
0.50
0.61
0.77
0.79
0.87
0.94
T2/s2
0.13
0.25
0.37
0.59
0.62
0.76
0.88

①请你根据表中的数据在乙图中作出T2m的关系图线。

②假设图乙中图线的斜率为k,则Tm的关系式为  ▲   

③求得的斜率k的值为   ▲   s2/kg。

试题详情

9.回旋加速器是用来加速带电粒子的装置,如图所示.它的核心部分是两个D形金属盒,两盒相距很近,分别和高频交流电源相连接,两盒放在匀强磁场中,磁场方向垂直于盒底面,带电粒子由加速器的中心附近进人加速器,直到达到最大圆周半径时通过特殊装置被引出。如果用同一回旋加速器分别加速氚核和α粒子(氚核和α粒子质量比为3:4,电荷量之比为1:2),则以下说法正确的是

A.加速α粒子的交流电源的周期较大,α粒子获得的最大动能较小

B.加速氚核的交流电源的周期较大,氚核获得的最大动能较小

C.若增大加速电压,氚核获得的最大动能增大

D.若增大加速电压,氚核在加速器中运动的总时间变短

第Ⅱ卷(非选择题  共89分)

试题详情

8.关于波动,下列说法正确的是                         

   A.横波在传播过程中,波峰上的质点运动到相邻的波峰所用的时间为一个周期

  B.当波的波长远小于障碍物的尺寸时能够发生明显的衍射现象

  C.发生干涉现象的两列波频率必然相同

  D.产生多普勒效应的原因是观察者和波源之间发生了相对运动

试题详情

7.如图所示,图线a是线圈在匀强磁场中匀速转动时所产生正弦交流电的图象,当调整线圈转速后,所产生正弦交流电的图象如图线b所示,以下关于这两个正弦交流电的说法正确的是  

  A.在图中t = 0时刻穿过线圈的磁通量均为零

 B.线圈先后两次转速之比为3:2

  C.先后两次通过线圈的最大磁通量之比为3:2

 D.交流电b的电动势的最大值为V

试题详情

6.下列各图是电子技术中的常用电路,其中,乙图中的电容器的电容C较小,丙图中的电容器的电容C较大.ab是部分电路的输入端,其中输入的高频成分用“--”表示,低频成分用“-”表示,直流成分用“-”表示.关于负载电阻R中得到的电流特征,下列说法中正确的是

A.图甲中R得到的是交流成分      B.图乙中R得到的是高频成分

C.图乙中R得到的是低频成分       D.图丙中R得到的是直流成分

试题详情

5.将一个半径为10cm的100匝圆形金属线框置于匀强磁场中,线框平面与磁场方向垂直,线框总电阻为3.14Ω,磁感应强度B随时间t的变化关系如图所示。则线框中感应电流的有效值为

A.×10-2A    B.2×10-2A

C.2×10-2A     D.×10-2A

试题详情

4.如图所示,一个弹簧振子在AB间做简谐运动,O是平衡位置,以某时刻作为计时零点(t=0),经过1/4周期,振子具有正方向的最大加速度,那么正确反映振子的振动情况的图线是

试题详情

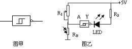
3.图甲为斯密特触发器,当加在它的输入端A的电压逐渐上升到某个值(1.6V)时,输出端Y会突然从高电平跳到低电平(0.25V),而当输入端A的电压下降到另一个值的时候(0.8V),Y会从低电平跳到高电平(3.4V)。图乙为一光控电路,用发光二极管LED模仿路灯,RG为光敏电阻。关于斯密特触发器和光控电路的下列说法中错误的是

A.斯密特触发器的作用是将数字信号转换为模拟信号

B.斯密特触发器是具有特殊功能的非门

C.要想在天更暗时路灯才会亮,应该把R1的阻值调大些

D.当输出端Y突然从高电平跳到低电平时,二极管发光

试题详情


同步练习册答案