题目列表(包括答案和解析)

 0  163717  163725  163731  163735  163741  163743  163747  163753  163755  163761  163767  163771  163773  163777  163783  163785  163791  163795  163797  163801  163803  163807  163809  163811  163812  163813  163815  163816  163817  163819  163821  163825  163827  163831  163833  163837  163843  163845  163851  163855  163857  163861  163867  163873  163875  163881  163885  163887  163893  163897  163903  163911  447348 

10.在研究微型电动机的性能时,应用如图2所示的实验电路.当调节滑动变阻器R使电动机停止转动时,电流表和电压表的示数分别为0.50A和2.0V.重新调节R使电动机恢复正常运转,此时电流表和电压表的示数分别为2.0A和24.0V,则这台电动机正确运转时的输出功率为(    )

A.32W   B.44W    C.47W    D.48W

试题详情

9.如图所示,图中a,b,c,d四根平行等间距长直导线的两端都固定在同一平面内,当它们同时通入如图方向强度相同的电流后,则(   )

A.导线a受力方向向左    B.导线b受力方向向左

C.导线c受力方向向左    D.导线d受力方向向右

试题详情

8.如图所示,一金属直杆MN两端接有导线,悬挂于线圈上方,MN与线圈轴线均处于竖直平面内,为使MN垂直纸面向外运动,可以  (   )

A.将a、c端接在电源正极,b、d端接在电源负极

B.将b、d端接在电源正极,a、c端接在电源负极

C.将a、d端接在电源正极,b、c端接在电源负极

D.无法确定

试题详情

6.把6个相同的灯炮接成如图(甲)和(乙)所示,调节变阻器使灯炮均正常发光,甲、乙电路消耗的电功率分别为P和P,因此可判定(   )

  A.P > 3P乙    B.P < 3P乙       

C.P = 3P乙    D.3P = P

 7.如图所示,A灯和B灯电阻相同,当滑动变阻器滑动触片向下滑动时,两灯的变化是  (   )

A.A灯变亮,B灯变亮  B.A灯变暗,B灯变亮

C.A灯变暗,B灯变暗  D.A灯变亮,B灯变暗

试题详情

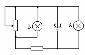
5.在图示电路中,电源的电动势是E,内电阻是r,当滑动变阻器R3的滑动头向左移动时  (   )

A.电阻R1的功率将加大  B.电阻R2的功率将减小

C.电源的功率将加大    D.电源的效率将增加

试题详情

4.如图所示的电路中,已知电容C1=C2,电阻R1﹥R2,电源内阻可忽略不计,当开关S接通时,以下说法中正确的有   (   )

A. C1的电量增多,C2的电量减少 

B. C1的电量减少,C2的电量增多

C. C1、C2的电量都增多

D. C1、C2的电量都减少

试题详情

3.如图所示,平行直线表示匀强电场的电场线,一点电荷只受电场力作用从A移到B点,曲线是此点电荷的运动轨迹,由此可判断 (   )

A.匀强电场的场强方向竖直向下

B.A点的电势比B点的电势高

C.电场力对点电荷做负功

D.点电荷电势能减小

试题详情

2.如图所示为一个说明示波器工作原理的示意图,电子经电压为U1的电场加速后以速度v0垂直进入电压为U2的偏转电场,离开电场时的偏转量为h,两平行板间的距离为d,板长为L,为了提高示波器的灵敏度(每单位电压引起的偏转量h/U2),可采用的方法是     (   )

A.增大两板间的电势差U2

B.使板长L短一些

C.使两平行板间的距离d小一些

D.使加速电压U1升高一些

试题详情

1.两个固定的等量异种电荷,在它们连线的垂直平分线上有a、b、c三点,下列说法正确的是  (   )

A.a点电势比b点电势高

B.a、b两点场强方向相同,b点场强比a大

C.a、b、c三点与无穷远处电势相等

D.一带电粒子(不计重力),在a点无初速释放,则它将在a、b线上运动

试题详情

19.(11分)如图所示为一真空示波管,电子从灯丝K发出(初速度不计),经灯丝与A板间的加速电压U1加速,从A板中心孔沿中心线KO射出,然后进入两块平行金属板MN形成的偏转电场中(偏转电场可视为匀强电场),电子进入MN间电场时的速度与电场方向垂直,电子经过电场后打在荧光屏上的P点。已知加速电压为U1MN两板间的电压为U2,两板间的距离为d,板长为L1,板右端到荧光屏的距离为L2,电子的质量为m,电荷量为e。求:(1)电子穿过A板时的速度大小;

(2)电子从偏转电场射出时的侧移量;

(3)P点到O点的距离。

试题详情


同步练习册答案