题目列表(包括答案和解析)

 0  164068  164076  164082  164086  164092  164094  164098  164104  164106  164112  164118  164122  164124  164128  164134  164136  164142  164146  164148  164152  164154  164158  164160  164162  164163  164164  164166  164167  164168  164170  164172  164176  164178  164182  164184  164188  164194  164196  164202  164206  164208  164212  164218  164224  164226  164232  164236  164238  164244  164248  164254  164262  447348 

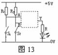
15.如图13是一个应用某逻辑电路制作的简单车门报警电路图。图中的两个按钮S1S2分别装在汽车的两道门上。只要其中任何一个开关处于开路状态,发光二极管(报警灯)就发光。则虚线框内的逻辑电路是_  门电路。

试题详情

14.如图12所示,有一未知电阻Rx,为了较准确地测出其电阻值,某同学通过以下两组测量数据,判断电压表S端是接a点还是接b点。当电压表的S端接a点时,两个电表的示数分别为12V、0.15A;当电压表的S端接b点时,两个电表的示数分别为11V、0.2A,那么该电阻的测量值较为准确的数值等于 _  Ω,测量值相对于真实值的偏差情况是 _  (填“偏大”或“偏小”)。

试题详情

13.如图11所示,A、B、C为匀强电场中的三点,构成边长为a的等边三角形,匀强电场的场强为E,方向平行于ABC平面,已知电子从A运动到B时,动能增加Ek;电子从A运动到C时动能减少Ek,则该匀强电场的场强E为 _  ,方向沿_  。已知元电荷为e。

试题详情

12.如图10(a)所示,两个闭合圆形线圈A、B的圆心重合,放在同一水平面内,线圈A中通以如图10(b)所示的变化电流,t=0时电流方向为顺时针(箭头所示)。在t1-t2时间内,对于线圈B,下列说法正确的是 

A.线圈B内有逆时针方向的电流,线圈有扩张的趋势

B.线圈B内有顺时针方向的电流,线圈有收缩的趋势

C.线圈B内有顺时针方向的电流,线圈有扩张的趋势

D.线圈B内有逆时针方向的电流,线圈有收缩的趋势

试题详情

11.如图9所示为圆柱形区域的横截面,在没有磁场的情况下,带电粒子(不计重力)以某一初速度沿截面直径方向射入,穿过此区域的时间为t,在该区域加沿轴线方向的匀磁强场,磁感应强度为B,带电粒子仍以同一初速度沿截面直径射入,粒子飞出此区域时,速度方向偏转60°角,根据上述条件可求下列物理量中的哪几个?

A.带电粒子的比荷        B.带电粒子在磁场中运动的周期

C.带电粒子在磁场中运动的半径  D.带电粒子的初速度

试题详情

10.如图8所示,E=10V,R1=4Ω,R2=6Ω,C=30μF,电池内阻不计。先将开关S闭合,稳定后再将S断开,S断开后通过R1的电荷量为

A.3.0×10-4C   B.1.2×10-4C  C.1.8×10-4C   D.0 C

试题详情

9.地面附近空间中存在着水平方向的匀强电场和匀强磁场,已知磁场方向垂直纸面向里,一个带电油滴沿着一条与竖直方向成α角的直线MN运动。如图7所示,由此可以判断

A.油滴一定做匀速运动

B.油滴一定做匀变速运动

C.油滴带正电,从M点向N点运动

D.油滴带负电,从N点向M点运动

试题详情

8. 一束带电粒子从同一位置,垂直于电场方向飞入匀强电场中,所有粒子的运动轨迹都是一样的,这说明所有粒子

A.电荷量与质量之比都相等           B.具有相同的电性

C.初动能相等                 D.是同位素

试题详情

7.如图6所示,x轴的上方有垂直纸面向里的匀强磁场,有两个质量相等、电荷量相等的带正、负电的离子(不计重力),以相同速度从O点射入磁场中,射入方向与x轴正向夹角均为θ角。则正负离子在磁场中 

A.运动时间相同

B.运动轨迹的半径相同

C.回到x轴时速度大小和方向均相同

D.回到x轴时距O点的距离相等

试题详情

6.有三个电阻的阻值都是1kΩ,功率都是1W。把它们连成如图5所示的混联电路,等效于下列哪一规格的电阻?

A.1.5 kΩ,1.5W     B.3 kΩ,3W

C.1.5 kΩ,3W     D. 3 kΩ,1.5W

试题详情


同步练习册答案