题目列表(包括答案和解析)

 0  165515  165523  165529  165533  165539  165541  165545  165551  165553  165559  165565  165569  165571  165575  165581  165583  165589  165593  165595  165599  165601  165605  165607  165609  165610  165611  165613  165614  165615  165617  165619  165623  165625  165629  165631  165635  165641  165643  165649  165653  165655  165659  165665  165671  165673  165679  165683  165685  165691  165695  165701  165709  447348 

17.如图所示,单匝矩形闭合导线框abcd全部处于磁感应强度为 B的水平匀强磁场中,线框面积为S,电阻为R。线框绕与cd边重合的竖直固定转轴以角速度ω匀速转动,线框中感应电流的有效值I =    。线框从中性面开始转过 的过程中,通过导线横截面的电荷量q =     

试题详情

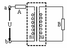
16.如图所示,理想变压器的原副线圈匝数之比为n1∶n2=4∶1,

  原线圈回路中的电阻A与副线圈回路中的负载电阻B的阻值

相等。a、b端加一交流电压后,两电阻消耗的电功率之比PA∶PB=________;两电阻两端的电压之比UA∶UB=_________。

试题详情

15.如图所示,在光滑绝缘的水平面上有一个用一根均匀导体围成的正方形线框abcd,其边长为L,总电阻为R,放在磁感应强度为B.方向竖直向下的匀强磁场的左边,图中虚线MN为磁场的左边界。线框在大小为F的恒力作用下向右运动,其中ab边保持与MN平行。当线框以速度v0进入磁场区域时,它恰好做匀速运动。在线框进入磁场的过程中,(1)线框的ab边产生的感应电动势的大小为E_____(2)线框ab两点的电势差____(3)线框中产生的焦耳热_______

试题详情

14.一个边长为6 cm的正方形金属线框置于匀强磁场中,线框平面与磁场垂直,电阻为0.36 Ω.磁感应强度B随时间t的变化关系如图所示.则线框中感应电流的有效值为(   )

A.×10-5 A    B.×10-5 A 

 C.×10-5 A   D.×10-5 A

试题详情

13. 如图所示,在光滑水平面上方,有两个磁感应强度大小均为B、方向相反的水平匀强磁场,如图所示,为两个磁场的边界,磁场范围足够大。一个边长为,质量为,电阻为的正方形金属线框垂直磁场方向,以速度从图示位置向右运动,当线框中心线AB运动到与重合时,线框的速度为,则 (    )

A.此时线框中的电功率为  B.此时线框的加速度为

C.此过程通过线框截面的电量为  D.此过程回路产生的电能为

试题详情

12.如图所示,固定位置在同一水平面内的两根平行长直金属导轨的间距为d,其右端接有阻值为R的电阻,整个装置处在竖直向上磁感应强度大小为B的匀强磁场中,一质量为m(质量分布均匀)的导体杆ab垂直于导轨放置,且与两导轨保持良好接触,杆与导轨之间的动摩擦因数为μ。现杆在水平向左、垂直于杆的恒力F作用下从静止开始沿导轨运动距离L时,速度恰好达到最大(运动过程中杆始终与导轨保持垂直)。设杆接入电路的电阻为r,导轨电阻不计,重力加速度大小为g。则此过程(   )

A.杆的速度最大值为B.流过电阻R的电量为

C.恒力F做的功与摩擦力做的功之和等于杆动能的变化量

D.恒力F做的功与安倍力做的功之和大于杆动能的变化量

试题详情

11.有一边长为L的正方形导线框,质量为m,由高度H处自由下落,如图所示,其下边ab进入匀强磁场区域后,线圈开始减速运动,直到其上边cd刚好穿出磁场时,速度减为ab边刚进入磁场时速度的一半,此匀强磁场的宽度也是L,线框在穿越匀强磁场过程中产生的电热是(   )

A.2mgL  B.2mgL+mgH  C.  D.

试题详情

10.如图所示,等腰直角三角形OPQ区域内存在匀强磁场,另有一 等腰直角三角形ABC以恒定的速度沿垂直于磁场方向穿过磁场,穿越过程中速度始终与AB边垂直且保持AC平行于OQ,关于线框中的感应电流,以下说法正确是:

A.开始进入磁场时感应电流最大 B.开始穿出磁场时感应电流最大

C.开始进入磁场时感应电流沿顺时针方向

D.开始穿出磁场时感应电流沿顺时针方向

试题详情

9.在远距离输电时,输送的电功率为P,输电电压为U,所用导线电阻率为ρ,横截面积为S,总长度为L,输电线损失的电功率为P′,用户得到的电功率为P,则(     )

A.     B.   C.    D.

试题详情

8.如图,理想变压器原副线圈的匝数比为10:l,b是原线圈的中心抽头,电压表和电流表均为理想电表,除R以外其余电阻不计.从某时刻开始在原线圈c、d两端加上的交变电压,并将开关接在a处.则( ) 

A.该交流电的频率为f=50HZ

B.t=s时,电压表的示数为22V 

C.若将滑动变阻器触片P向下移,电压表和电流表A2的示数均变大

D.若将单刀双掷开关由a拨向b,两电流表的示数均变大

试题详情


同步练习册答案