题目列表(包括答案和解析)

 0  165702  165710  165716  165720  165726  165728  165732  165738  165740  165746  165752  165756  165758  165762  165768  165770  165776  165780  165782  165786  165788  165792  165794  165796  165797  165798  165800  165801  165802  165804  165806  165810  165812  165816  165818  165822  165828  165830  165836  165840  165842  165846  165852  165858  165860  165866  165870  165872  165878  165882  165888  165896  447348 

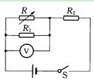
10、在如图所示的电路中,电源内阻不能忽略.闭合开关S后,调整R的阻值,使电压表的示数增大△U.在这过程中     (   )

A.通过R1的电流增大,增大量为△U/Rl

B.R2两端的电压减小,减小量为△U

C.通过R2的电流减小,减小量小于△U/R2

D.路端电压增大,增大量为△U

试题详情

9、下列单位与磁感强度的单位“特斯拉”相当的是:(    )

A.韦伯/米2     B.千克/(安培·秒2)   C.牛·秒/(库·米)   D.牛·秒/米2

试题详情

8、在图示的电路中,已知电容C=2μF,电源电动势E=12V,内阻不计,R1∶R2∶R3∶R4=1∶2∶6∶3.则电容器极板a所带的电量为(  )

A.-8×10-6C.      B.4×10-6C.  C.-4×10-6C.     D.8×10-6C.

试题详情

7、如图电源的内阻不可忽略,已知定值电阻R1=10Ω、R2=8Ω,当电键S连接位置1时,电流表示数为0.20A,那么当S接位置2时,电流表的示数可能是( )

A.0.28A   B.0.25A   C.0.22A   D.0.19A

试题详情

6、如图所示,电灯A标有“10V,10W”,电灯B标有“8V,20W”,滑动变阻器的总电阻为6Ω,当滑动触头由a端向b端滑动的过程中(不考电灯电阻的变化),下列说法正确的是(   )

A、 安培表示数一直增大,伏特表示数一直减小;

B、 安培表示数一直减小,伏特表示数一直增大;

C、 安培表示数先增大后减小,伏特表示数先减小后增大;

D、 安培表示数先减小后增大,伏特表示数先增大后减小。

试题详情

5、图为云室中某粒子穿过铅板P前后的轨迹。室中匀强磁场的方向与轨迹所在平面垂直(图中垂直于纸面向里),由此可知此粒子  (    )

A.一定带负电          B.可能带负电也可能带正电

C可能是从上而下穿过该铅板   D.一定是从下而上穿过该铅板 

试题详情

4、如图,MN间有恒定电压U0R1R2是两只阻值较大的定值电阻,V1、V2是两只完全相同的电压表,其内阻对电路的影响不可忽略.先后将单刀双掷开关接1和2,测得电压表V1、V2的示数分别是8V、4V.下列结论正确的是 (   ) 

A、U0=12V   B、R1=2R2   C、R1>2R2    D、R1<2R2

试题详情

3、如图所示,圆环上带有大量的电荷,当圆环以轴心沿如图方向转动时,则a、b、c、d四个小磁针的运动情况是     (    )

A.a、b、d不动,cN极朝纸外。

B.a、b、dN极朝纸内,cN极朝纸外。

C.d不动, cN极朝纸外。a、bN极朝纸内

D.a、b、dN极朝纸外,cN极朝纸内。

试题详情

2、逻辑电路的信号有两种状态:一是高位状态,用“1”表示;另一种是低电位状态,用“0”表示。关于这里的“1”和“0”下列说法正确的是(   )

A.“1”表示电压为1V,“0”表示电压为0V

B.“1”表示电压为大于或等于1V,“0”表示电压一定为0V

C.“1”和“0”是逻辑关系的两种可能的取值,不表示具体的数字

D.“1”表示该点与电源的正极相连,“0”表示该点与电源的负极相连

试题详情

1.关于磁场和磁感线,下列描述中正确的是( )

A.沿磁感线方向,磁场逐渐减弱

B.磁感线从磁体的N极出发,终止于S极

C.磁场的方向就是通电导体在磁场中某点受磁场作用力的方向

D.同一通电导体在磁场强的地方受到的安培力可能比在磁场弱的地方受到的安培力小

试题详情


同步练习册答案