题目列表(包括答案和解析)

 0  168341  168349  168355  168359  168365  168367  168371  168377  168379  168385  168391  168395  168397  168401  168407  168409  168415  168419  168421  168425  168427  168431  168433  168435  168436  168437  168439  168440  168441  168443  168445  168449  168451  168455  168457  168461  168467  168469  168475  168479  168481  168485  168491  168497  168499  168505  168509  168511  168517  168521  168527  168535  447348 

12. AB是两颗不同的行星,各有一颗在其表面附近运行的卫星。若这两颗卫星分别绕AB做匀速圆周运动的周期相等,由此可判定

A.两颗卫星分别绕AB做匀速圆周运动的轨道半径一定相等

B.两颗卫星分别绕AB做匀速圆周运动的线速度一定相等

C.行星AB的质量一定相等

D.行星AB的平均密度一定相等

试题详情

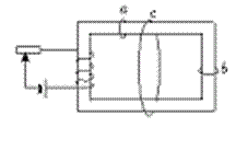
11.在图示的闭合铁芯上绕有一组线圈,与滑动变阻器、电池构成闭合电路,abc为三个闭合金属环,假定线圈产生的磁场全部集中在铁芯内,则在滑动变阻器的滑片左、右滑动时,能产生感应电流的圆环是 

A.abc三个环       B.bc两个环 

C.ac两个环          D.ab两个环 

解析:无论滑动变阻器的如何变化,穿过c环的磁通量总为零,c环中不产生感应电流。

试题详情

10.如图所示,放在光滑水平面上的物体,受到水平向右的力F1和水平向左的恒力F2作用,原先F1F2 ,物体向右运动.在F1逐渐减小到等于F2的过程中,发生的物理情景是

A.物体向右运动,速度逐渐增到最大

B.物体向右运动,速度逐渐减小到零

C.物体向左运动,速度逐渐增到最大

D.物体向左运动,速度逐渐减小到零

试题详情

9.轻杆的一端固定着小球,使轻杆以另一端为圆心在竖直面内做圆周运动。当小球运动到圆周的最高点时的速度恰好为零,则以下判断正确的是        (    )

A.轻杆对小球的作用力等于小球的重力,小球处于超重状态

B.轻杆对小球的作用力与小球的重力的合力为零,小球处于平衡状态

C.轻杆对小球的作用力与小球的重力的合力为零,小球处于失重状态

D.轻杆对小球的作用力为零,小球处于失重状态

试题详情

8.如图,在xOy平面中有一通电直导线与OxOy轴相交,导线中电流方向如图所示。该区域有匀强磁场,通电直导线所受磁场力的方向与Oz轴的正方向相同。该磁场的磁感应强度的方向可能是

A.沿x轴正方向

B.沿y轴负方向

C.沿z轴正方向

D.沿z轴负方向

试题详情

7.某同学用如图所示的电路进行小电机M的输出功率的研究,其实验步骤如下所述,闭合电键后,调节滑动变阻器,电动机未转动时,电压表的读数为U1,电流表的读数为I1;再调节滑动变阻器,电动机转动后电压表的读数为U2,电流表的读数为I2,则此时电动机的输出功率为

    A.U2I2      B.U2I2  

C.U2I2+      D.

试题详情

6.如图所示,重80N的物体A放置在倾角为30°的粗糙斜面上,有一根原长为10cm,劲度系数为103N/m的弹簧,其一端固定在斜面上底端,另一端放置物体A后,弹簧长缩短为8cm,现用一弹簧秤沿斜面上拉物体,若滑块与斜面间最大静摩擦力为25N,当弹簧的长度仍为8cm时,弹簧秤的读数可能为

A.10N   B. 20N   C. 40N   D. 60N

试题详情

5.质量为m的小物块放在倾角为α的斜面上处于静止,如图5--16所示。若斜面体和小物块一起以速度v沿水平方向向右做匀速直线运动,通过一段位移s。斜面体对物块的摩擦力和支持力的做功情况是(    )

A.摩擦力做正功,支持力做正功

B.摩擦力做正功,支持力做负功

C.摩擦力做负功,支持力做正功

D.摩擦力做负功,支持力做负功

试题详情

4.两个完全相同的导体小球,所带电量多少不同,相距一定的距离时,两个导体球之间有相互作用的库仑力。如果将两个导体球相互接触一下后,再放到原来的位置,则两球的作用力的变化情况是

A.如果相互接触前两球的库仑力是引力,则相互接触后的库仑力仍是引力

B.如果相互接触前两球的库仑力是引力,则相互接触后的库仑力是斥力

C.如果相互接触前两球的库仑力是斥力,则相互接触后的库仑力仍是斥力

D.如果相互接触前两球的库仑力是斥力,则相互接触后的库仑力是引力

[BC]

试题详情

3.一矩形线圈,绕垂直于匀强磁场并位于线圈平面内的固定轴以恒定的角速度转动,线圈中感应电流i随时间t变化情况如图12--27所示,则

A.该交流电的频率为4HZ

B.该交流电的有效值为A

C.1s时刻穿过线圈磁通量变化率的绝对值最大

D.2s时刻穿过线圈磁通量变化率的绝对值最大

试题详情


同步练习册答案