题目列表(包括答案和解析)

 0  170675  170683  170689  170693  170699  170701  170705  170711  170713  170719  170725  170729  170731  170735  170741  170743  170749  170753  170755  170759  170761  170765  170767  170769  170770  170771  170773  170774  170775  170777  170779  170783  170785  170789  170791  170795  170801  170803  170809  170813  170815  170819  170825  170831  170833  170839  170843  170845  170851  170855  170861  170869  447348 

7.在如图所示的逻辑电路中,当A端输入电信号”1”、B端输入电信号”0”时,则在C和D端输出的电信号分别为

 A.1和0   B.0和1   C.1和l   D.0和0            

试题详情

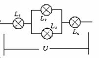
6.如图所示,有四盏电灯连接在电路中,L1和L2都标有“220V 100W”字样,L3和L4都标有“220V 40W”字样,把电路接通后,最暗的是(   )

A.L1    B.L2    C.L3   D.L4

试题详情

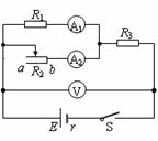
5.在如图所示的电路中,E为电源电动势,r为电源内阻,R1和R3均为定值电阻,R2为滑动变阻器。当R2的滑动触点在a端时合上开关S,此时三个电表A1A2和V的示数分别为I1I2和U。现将R2的滑动触点向b端移动,则三个电表示数的变化情况是(  )

A.I1增大,I2不变,U增大

B.I1减小,I2增大,U减小                 

C.I1增大,I2减小,U增大

D.I1减小,I2不变,U减小   

试题详情

4.一个T型电路如图所示,电路中的电,  .另有一测试电源,电动势为100V,内阻忽略不计。则

  A.当cd端短路时,ab之间的等效电阻是40

B. 当ab端短路时,cd之间的等效电阻是40

  C. 当ab两端接通测试电源时, cd两端的电压为80 V

  D. 当cd两端接通测试电源时, ab两端的电压为80 V      

试题详情

3.有一横截面积为S的铜导线,流经其中的电流为I,设每单位体积的导线有n个自由电子,电子电量为e,此时电子的定向转动速度为υ,在△t时间内,通过导体横截面的自由电子数目可表示为(   )

A.nυS△t    B.nυ△t   C.I△t/e   D.I△t/(Se)

试题详情

2.如图所示的电路,将两个相同的电流表分别改装成A1(0-3A)和A2(0-0.6A)的电流表,把两个电流表并联接入电路中测量电流强度,则下列说法正确的是(   )

A.A1的指针半偏时,A2的指针也半偏

B.A1的指针还没半偏时,A2的指针已经半偏

C.A1的读数为1A时,A2的读数为0.6A

D.A1的读数为1A时,干路的电流I为1.2A            

试题详情

1.如图所示的电路中,闭合开关,灯正常发光.由于电路出现故障,突然发现灯变亮,灯变暗,电流表的示数变小,根据分析,发生的故障可能是(  )

A.断路   B.断路  

C.短路   D.短路             

试题详情

15.一条河流,流量,落差,现利用其发电,若发电机总效率为50%,输出电压为240 V,输电线路总电阻,允许损失功率为发电机输出功率的6%,为满足用电的要求,使用户获得220 V电压,则该输电线路所使用的理想升压、降压变压器的匝数比各是多少?能使多少盏“220V 100W”的电灯正常发光?

试题详情

14.如图所示,沿水平方向放置一条平直光滑槽,它垂直穿过开有小孔的两平行薄板,板相距3.5L。槽内有两个质量均为m的小球AB,球A带电量为  +2q,球B带电量为-3q,两球由长为2L的轻杆相连,组成一带电系统。最初AB分别静止于左板的两侧,离板的距离均为L。若视小球为质点,不计轻杆的质量,在两板间加上与槽平行向右的匀强电场E后(设槽和轻杆由特殊绝缘材料制成,不影响电场

的分布),求:

(1)球B刚进入电场时,带电系统的速度大小;

(2)带电系统从开始运动到速度第一次为零所需的时间及球A相对右板的位置。

试题详情

13.某小型实验水电站输出功率是20kW,输电线路总电阻是6Ω。

(1)若采用380 V输电,求输电线路损耗的功率。

(2)若改用5000 V高压输电,用户端利用n1:n2=22:1的变压器降压,求用户得到的电压。

试题详情


同步练习册答案