题目列表(包括答案和解析)

 0  171126  171134  171140  171144  171150  171152  171156  171162  171164  171170  171176  171180  171182  171186  171192  171194  171200  171204  171206  171210  171212  171216  171218  171220  171221  171222  171224  171225  171226  171228  171230  171234  171236  171240  171242  171246  171252  171254  171260  171264  171266  171270  171276  171282  171284  171290  171294  171296  171302  171306  171312  171320  447348 

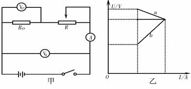
10.如图A-10-45-15甲所示的电路,不计电表内阻的影响,改变滑动变阻器的滑片位置,测得电压表V1和V2随电流表A的示数变化的两条实验图象,如图乙所示,关于这两条实验图象,有   (  )

A.图线b的延长线一定过坐标的原点O

B.图线a的延长线与纵轴交点的坐标值等于电源的电动势

C.图线a、b交点的横坐标和纵坐标值的乘积等于电源输出功率

D.图线a、b交点的横坐标和纵坐标值的乘积等于电阻R0消耗的电功率

试题详情

9.如图A-10-45-14所示,已知直流电动机M的电阻是R,电源的内电阻是r,当电动机正常工作时电压表的示数是U,电流表的示数是I.

①t秒种内,电动机产生的热量是IUt

②t秒钟内,电动机消耗的电能是IUt

③电源电动势是IR+Ir

④电源电动势是U+Ir

以上叙述正确的是  (  )

A.①②③    

B.②④

C.①③     

D.①②④

试题详情

8.如图A-10-45-13所示的电路中,闭合电键S后,灯a和灯b都正常发光,后来由于某种故障使灯b突然变亮,电压表读数增加,由此推断,这故障可能是   (   )

A.a灯灯丝烧断

B.电阻R2断路

C.电阻R2短路

D.电容被击穿短路

试题详情

7.在图A-10-45-12所示电路中,电源电动势为12 v,内电阻不能忽略,闭合S后,调整R的阻值,使电压表的示数增大△U=2 V.在这一过程中

 ①通过R1的电流增大,增大量为△U/R1

 ②R2两端的电压减小,减小量为△U

③通过R2的电流减小,减小量小于△U/R2

④路端电压增大,增大量为△U

以上叙述正确的是   (  )

 A.①②    B.①③   C.②④   D.③④

试题详情

6.如图A-10-45-11所示的电路,A、B、C为三个相同的灯泡,其电阻大于电源内阻,当变阻器的滑动触头P向上移动时   (   )

A.A灯变亮,B灯和C灯都变暗

B.A灯变亮,B灯变暗,C灯变亮

C.电源释放的总电功率增大,电源的供电效率升高

D.电源输出的电功率增大,电源的供电效率降低

试题详情

5.用电动势为6 v、内电阻为4 Ω的直流电源,依次给下列四个小灯泡供电,最亮的是   (   )  

A.6 V,12 W      B.6 V,9 W

C.6 V,4 W      D.6 V,3 W

试题详情

4.如图A-10-45-10所示的电路中,电源内阻不能忽略,R1=10 Ω,R2=8 Ω,当开关S板到位置1时,电压表的读数为2.0 v,当开关S板到位置2时,电压表的读数可能是   (   )

A.2.2 V   B.1.9 V 

C.1.6 V    D.1.4 V

试题详情

3.在等边三角形的三个顶点a、b、c处,各有一条长直导线垂直穿过纸面,导线中通有大小相等的恒定电流,方向如图所示。过c点的导线所受安培力的方向为:(  )

   A.与ab边平行,竖直向上     

B.与ab边平行,竖直向下

C.与ab  边垂直,指向左边

D.与ab边垂直,指向右边

试题详情

2.在如图A-10-45-8所示电路中,当变阻器R3的滑动头P向b端移动时  (   )

A.电压表示数变大,电流表示数变小

B.电压表示数变小,电流表示数变大

C.电压表示数变大,电流表示数变大

D.电压表示数变小,电流表示数变小

试题详情

1.关于闭合电路的性质,以下说法正确的是   (   )

A.电源短路时,输出电流无限大

B.电源断路时,路端电压无限大

C.外电路电阻越大,输出电流越大

D.外电路电阻越大,路端电压越大

试题详情


同步练习册答案