题目列表(包括答案和解析)

 0  27944  27952  27958  27962  27968  27970  27974  27980  27982  27988  27994  27998  28000  28004  28010  28012  28018  28022  28024  28028  28030  28034  28036  28038  28039  28040  28042  28043  28044  28046  28048  28052  28054  28058  28060  28064  28070  28072  28078  28082  28084  28088  28094  28100  28102  28108  28112  28114  28120  28124  28130  28138  447348 

24、以铁为阳极,铜为阴极对足量NaOH溶液电解,一段时间得到了共0.2mol Fe(OH)3固体,(1)、请写出两极的电极反应。

(2)、计算此间共消耗了水多少克?                                    

鞍山市第十三中学2008-2009学年度第一学期期末考试

试题详情

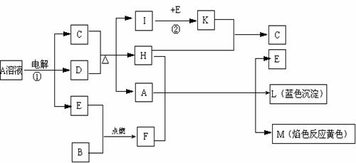
23、(10分)已知B是常见金属单质,E为常见非金属单质,H常温下为无色液体。反应②在催化剂和加热条件下进行,是工业上制取C的反应之一。根据下列关系,试回答:

(1)E的化学式:         F的电子式:      

(2) 反应①的离子方程式:                        

(3) 写出C、D反应的化学方程式:                             。

(4) 反应②每生成1molK,放出98.3kJ热量,该反应的热化学方程式为:

                                  

(提示:背后有题)

试题详情

22、(8分)现有下列仪器或用品:①铁架台(含铁圈、各种铁夹)  ②锥形瓶  ③酸式滴定管与碱式滴定管  ④烧杯(若干)  ⑤玻璃棒  ⑥胶头滴管  ⑦天平(含砝码)  ⑧滤纸  ⑨量筒  ⑩过滤漏斗;现有下列药品: ⑾NaOH固体  ⑿标准NaOH溶液  ⒀未知浓度盐酸  ⒁蒸馏水  ⒂碳酸钠溶液。

试回答下列问题:

(1)过滤时,应选用的上述仪器是                      (填编号)

(2)配制一定物质的量浓度的溶液时,还缺少的仪器是              

(3)做酸碱中和滴定时,还缺乏的是                     

(4)进行中和滴定时,事先不应该用所盛溶液润洗的仪器是:          

   (A)酸式滴定管   (B)碱式滴定管   (C)50mL量筒   (D)锥形瓶

试题详情

21、(10分)有X、Y、Z三种短周期非金属元素。元素X、Z、Y的原子序数依次递增,X元素主族序数等于周期数,Z原子的质子数比Y原子的质子数少9。实验室常用X、Y形成的化合物的浓溶液与某黑色固体R共热制取Y的单质气体。

请回答以下问题:

(1)写出实验室制取Y单质的化学方程式(用元素符号表示,下同):

                              

(2)比较Z、Y离子半径的大小:              

(3)以Pt为电极电解Y的钠盐饱和溶液(装置如图所示),B极有

无色气体产生,则B电极是(填电极名称)     

A电极上的电极反应是                   

电解的总反应方程式为                           

(4)欲除去Y的钠盐中的Ca2+、Mg2+、SO42-,加入试剂的合理顺序为___________(选填a、b、c)。  

a.先加NaOH,后加Na2CO3,再加钡试剂

       b.先加NaOH;后加钡试剂,再加Na2CO3

       c.先加钡试剂,后加NaOH,再加Na2CO3

试题详情

20、(8分)常温下,将0.02molKOH和0.1molNH4Cl溶于水配成1L溶液,

(1)用方程式表示该溶液中存在的三个平衡体系:

__________________________________、

__________________________________、

__________________________________。

(2)溶液中共有      种不同的粒子。

(3)这些粒子中浓度为0. 1mol/L的是     ,浓度为0.02mol/L的是      

(4)物质的量之和为0.1mol的二种粒子是_______________________________________。

试题详情

19、下图为直流电源,为浸透饱和氯化钠溶液和酚酞试液的滤纸,为电镀槽.接通电路后发现上的c点显红色.为实现铁上镀锌,接通后,使c、d两点短路.下列叙述正确的是(   )            

A.a为直流电源的负极

B.e极发生还原反应

C.c极发生的反应为2H++2e=H2

D.f电极为锌板

第Ⅱ卷(非选择题,共43分)

试题详情

18、若在铜片上镀银时,下列叙述正确的是(   )

   ①将铜片接在电池的正极上,②将银片接在电源的正极上,③在铜片上发生的反应是:Ag++e-=Ag,④在银片上发生的反应是:4OH--4e-=O2↑+2H2O,⑤需用CuSO4溶液,⑥需用AgNO3溶液作电解液

   A.①③⑥     B.②③⑥         C.①④⑤      D.②③④⑥

试题详情

17、PH=a的某电解质溶液中,插入两支惰性电极通直流电一段时间后,溶液的pH>a,则该电解质可能是 (   )

A. AgNO3   B. H2SO4            C. NaOH             D.K2SO4

试题详情

16、在密闭容器中的一定量的混合气体发生反应:,达平衡时测得A的浓度为,在温度不变的条件下将容器的容积扩大到两倍,使再达平衡,则得A的浓度降低为0.3。有关判断正确的是(   )

 A.x+y<z

 B.平衡向正反应方向移动

 C.B的转化率降低

 D.C的体积分数上升

试题详情

15、实验室用铅蓄电池作电源电解饱和食盐水制取氯气,已知铅蓄电池放电时发生如下反应:  负极:Pb+SO42- = PbSO4+2e- 

 正极:PbO2+4H++SO42-+2e- = PbSO4+2H2O

今若制得Cl2 0.10 mol,这时电池内消耗的H2SO4的物质的量至少是 (   ) 

 A. 0.20 mol    B. 0.050 mol     C. 0.10 mol     D. 0.025 mol

试题详情


同步练习册答案