A.R1 B. R2 C.R3 D.R4 查看更多

 

题目列表(包括答案和解析)

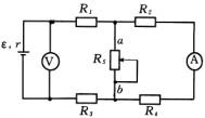
02全国4 .在如图所示的电路中,R1、R2、R3和R4皆为定值电阻,R5为可变电阻,电源的电动势为ε,内阻为r。设电流表A的读数为I,电压表V的读数为U。当R5的滑动触点向图中a端移动时,

A  I变大,U变小    B  I变大,U变大

C  I变小,U变大    D  I变小,U变小

查看答案和解析>>

现有一满偏电流为500μA,内阻为1.2×103Ω的电流表,某同学想把它改装成中值电阻为600Ω的欧姆表,(中值电阻:电阻调零后,当测量待测电阻时,电流表指针指在表盘中央时所对应的阻值)实验室提供如下器材:
A、一节干电池(标准电动势为1.5V)       B、电阻箱R1(最大阻值99.99Ω)
C、电阻箱R2(最大阻值999.9Ω)           D、滑动变阻器R3(0-100Ω)
E、滑动变阻器R4(0-1KΩ )              F、导线若干及两个接线柱
(1)为完成实验,上述器材中应选择
A
A
C
C
E
E
F
F
(填器材前面的字母代号).
(2)在方框中画出改装电路图.
(3)用改装后的欧姆表测一待测电阻,读出电流表的读数为200μA,则待测电阻阻值为
900
900
Ω.

查看答案和解析>>

精英家教网如图所示的电路中,R1、R2、R3是定值电阻,R4是光敏电阻,其阻值随光照的强度增强而减小.开关S闭合且无光照射,电容器C不带电,当用强光照射R4,待电路稳定后,与无光照射时比较(  )

查看答案和解析>>

在如图所示的电路中,R1R2R3R4皆为定值电阻,R5为可变电阻,电源的电动势为ε,内阻为r.设电流表A的读数为I,电压表V的读数为U.当R5的滑动触点向图中a端移动时,则[   ]

AI变大,U变小;

BI变大,U变大;

CI变小,U变大;

DI变小,U变小。

 

查看答案和解析>>

在如图所示的电路中,R1R2R3R4皆为定值电阻,R5为可变电阻,电源的电动势为ε,内阻为r.设电流表A的读数为I,电压表V的读数为U.当R5的滑动触点向图中a端移动时,则[   ]

AI变大,U变小;

BI变大,U变大;

CI变小,U变大;

DI变小,U变小。

 

查看答案和解析>>


同步练习册答案