A.其中R1是供加热用的电阻丝B.当开关S接通时电饭锅为加热状态.S断开时为保温状态C.要使R2在保温状态时的功率为加热状态时的功率的一半.R1/R2应为2 : 1 查看更多

 

题目列表(包括答案和解析)

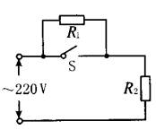
电饭锅工作时有两种状态:一种是锅内水烧干前的加热状态,另一种是锅内水烧干后保温状态,如图所示是电饭锅电路原理示意图,K是感温材料制造的开关。下列说法中正确的是    (      )

A.其中R2是供加热用的电阻丝

B.当开关S接通时电饭锅为加热状态,S断开时为保温状态

C.要使R2在保温状态时的功率为加热状态的一半,R1/R2应为2:1

D.要使R2在保温状态时的功率为加热状态时一半,R1/R2应为(-1):1

 

查看答案和解析>>

电饭锅工作时有两种状态:一种是锅内水烧干前的加热状态,另一种是锅内水烧干后保温状态,如图所示是电饭锅电路原理示意图,K是感温材料制造的开关。下列说法中正确的是    (     )

A.其中R2是供加热用的电阻丝

B.当开关S接通时电饭锅为加热状态,S断开时为保温状态

C.要使R2在保温状态时的功率为加热状态的一半,R1/R2应为2:1

D.要使R2在保温状态时的功率为加热状态时一半,R1/R2应为(-1):1

 

查看答案和解析>>

电饭锅工作时有两种状态:一种是锅内水烧干前的加热状态,另一种是锅内水烧干后的保温状态.如图所示是电饭锅电路原理示意图,S是用感温材料制造的开关.下列说法中正确的是( )

A.其中R2是供加热用的电阻丝

B.当开关S接通时电饭锅为加热状态,S断开时为保温状态

C.要使R2在保温状态时的功率为加热状态时的一半,R1R2应为21

D.要使R2在保温状态时的功率为加热状态时的一半,R1R2应为(1):1

 

查看答案和解析>>

电饭锅工作时有两种状态:一种是锅内水烧干前的加热状态,另一种是锅内水烧干后的保温状态.如图所示是电饭锅电路原理示意图,S是用感温材料制造的开关.下列说法中正确的是( )

A.其中R2是供加热用的电阻丝

B.当开关S接通时电饭锅为加热状态,S断开时为保温状态

C.要使R2在保温状态时的功率为加热状态时的一半,R1R2应为21

D.要使R2在保温状态时的功率为加热状态时的一半,R1R2应为(1):1

 

查看答案和解析>>

电饭锅工作时有两种状态:一种是锅内水烧开前的加热状态,另一种是锅内水烧开后的保温状态,如图所示是电饭锅原理示意图,S是用感温材料制造的开关. 下列说法中正确的是(  )

A.其中R2是供保温用的电阻丝

B.当开关S接通时电饭锅为加热状态,S断开时为保温状态

C.要使R2在保温状态时的功率为加热状态时的一半,R1∶R2应为2∶1

D.要使R2在保温状态时的功率为加热状态时的一半,R1∶R2应为(-1) ∶1

 

查看答案和解析>>


同步练习册答案