A.电流表A1的偏转角小于电流表A2的偏转角 B.电流表A1的读数大于电流表A2的读数 C.电压表V1的读数小于电压表V2的读数 D.电压表V1的偏转角等于电压表V2的偏转角 查看更多

 

题目列表(包括答案和解析)

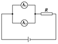
四个相同的灵敏电流表分别改装成两个安培表和两个伏特表,安培表A1的量程大于A2的量程,伏特表V1的量程大于V2的量程,把它们按图接入电路(  )
A.A1读数比A2读数小
B.A1指针偏转角度比A2指针偏转角度小
C.V1读数比V2读数大
D.V1指针偏转角度比V2指针偏转角度大
精英家教网

查看答案和解析>>

四个相同的灵敏电流表分别改装成两个安培表和两个伏特表,安培表A1的量程大于A2的量程,伏特表V1的量程大于V2的量程,把它们按图接入电路( )

A.A1读数比A2读数小
B.A1指针偏转角度比A2指针偏转角度小
C.V1读数比V2读数大
D.V1指针偏转角度比V2指针偏转角度大

查看答案和解析>>

四个相同的小量程电流表分别改装成两个电流表和两个电压表.已知电流表A1量程大于A2的量程,电压表V1的量程大于V2的量程,改装好后把它们按如图所示接入电路,则(  )

查看答案和解析>>

两个相同的小量程电流表表头分别改装成两个电流表A1、A2.已知电流表A1量程大于A2的量程,改装好后把它们按图接入电路,则 (  )

A.电流表A1的读数小于电流表A2的读数
B.电流表A1的读数等于电流表A2的读数
C.电流表A1的偏转角等于电流表A2的偏转角
D.电流表A1的偏转角小于电流表A2的偏转角

查看答案和解析>>

四个相同的小量程电流表分别改装成两个电流表和两个电压表。已知电流表A1量程大于A2的量程,电压表V1的量程于大V2的量程,改装好后把它们按如图所示接入电路,则(   )

A.电流表A1的读数大于电流表A2的读数

B.电流表A1的指针偏转角小于电流表A2的指针偏转角

C.电压表V1的读数小于电压表V2的读数

D.电压表V1的指针偏转角等于电压表V2的指针偏转角

 

查看答案和解析>>


同步练习册答案