(1)ab.bc.ac间的电势差各为多少?(2)一个电子在a点具有的电势能为多少?(3)使一个电子从a点沿斜边移到c点时.电场力作功多少? 查看更多

 

题目列表(包括答案和解析)

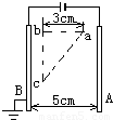
如图所示,在匀强电场中有a、b、c三点,这三点连线组成一个直角三角形,ab边和电场线平行,长为3 cm,a点离A板1 cm,电源电压为2 V,B板接地.问:

(1)ab、bc、ac间电势差各为多少;

(2)一个电子在a点具有的电势能为多少;

(3)使一个电子从a点沿斜边移到c点时,静电力做功多少?

查看答案和解析>>

如图所示,在匀强电场中有abc三点,这三点连线组成一个直角三角形,ab边和电场线平行,长为3cm,a点离A板1cm,电源电压为2V,B板接地。问:

(1)abbcac间电势差各为多少?

(2)一个电子在a点具有的电势能为多少?

(3)使一个电子从a点沿斜边移到c点时,电场力做功多少?

查看答案和解析>>

如图所示,在匀强电场中有abc三点,这三点连线组成一个直角三角形,ab边和电场线平行,长为3cm,a点离A板1cm,电源电压为2V,B板接地。问:
(1)abbcac间电势差各为多少?
(2)一个电子在a点具有的电势能为多少?
(3)使一个电子从a点沿斜边移到c点时,电场力做功多少?

查看答案和解析>>

如图所示,在匀强电场中有a,b,c三点,这三点连线组成一个直角三角形,ab边和电场线平行,长为3cm,a点离A板1cm,电源电压为2V,B板接地.问:
(1)ab、bc、ac间电势差各为多少?
(2)一个电子在a点具有的电势能为多少?
(3)使一个电子从a点沿斜边移到c点时,电场力做功多少?

查看答案和解析>>

如图所示,在匀强电场中有a,b,c三点,这三点连线组成一个直角三角形,ab边和电场线平行,长为3cm,a点离A板1cm,电源电压为2V,B板接地.问:
(1)ab、bc、ac间电势差各为多少?
(2)一个电子在a点具有的电势能为多少?
(3)使一个电子从a点沿斜边移到c点时,电场力做功多少?

查看答案和解析>>


同步练习册答案