12.(2012·新密高三第一次调研)如图所示.质量为m的小球置于倾角为30°的光滑斜面上.劲度系数为k的轻弹簧.一端系在小球上.另一端固定在P点.小球静止时弹簧与竖直方向的夹角为30°.则弹簧的伸长量为( ) A. B. C. D. 解析:小球受力如图所示. 由几何知识可知.▱ABCD为菱形. FN=kx,2kxcos30°=mg. x=.C正确. 答案:C 第Ⅱ卷 查看更多

 

题目列表(包括答案和解析)

 (2012·盐城高三第一次调研)如图所示,真空中水平放置长为L的平行金属板,以两板中间线为x轴,以垂直于极板且过极板右端为y轴建立坐标系.在t=0时,将图中所示的电压加在两板上,与此同时持续不断的电子沿x轴以速度v0飞入电场,均能从两板间飞出.关于电子穿过y轴的位置,正确的描述是(  )

A.当Lv0T时,电子从同一位置穿过,这个位置在y轴正方向某处

B.当Lv0T时,电子从两个不同位置穿过,一个在坐标原点,一个在y轴正方向某处

C.当Lv0T时,电子在一段区域穿过,这个区域在y轴正方向上从原点开始

D.当Lv0T时,电子在一段区域穿过,这个区域在y轴正方向上不包括原点在内

查看答案和解析>>

 (2012·盐城高三第一次调研)如图所示,真空中水平放置长为L的平行金属板,以两板中间线为x轴,以垂直于极板且过极板右端为y轴建立坐标系.在t=0时,将图中所示的电压加在两板上,与此同时持续不断的电子沿x轴以速度v0飞入电场,均能从两板间飞出.关于电子穿过y轴的位置,正确的描述是(  )

A.当Lv0T时,电子从同一位置穿过,这个位置在y轴正方向某处

B.当Lv0T时,电子从两个不同位置穿过,一个在坐标原点,一个在y轴正方向某处

C.当Lv0T时,电子在一段区域穿过,这个区域在y轴正方向上从原点开始

D.当Lv0T时,电子在一段区域穿过,这个区域在y轴正方向上不包括原点在内

查看答案和解析>>

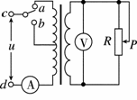
 (2012·乌鲁木齐市高三第二次测试)如图所示,理想变压器原、副线圈的匝数比为10∶1,b是原线圈的中心接头,电压表V和电流表A均为理想电表.从某时刻开始在原线圈cd两端加上交变电压,其瞬时值表达式为u=220sin 100πt(V),则(  )

A.当单刀双掷开关与a连接时,电压表的示数为22 V

B.当单刀双掷开关与b连接时,电压表的示数为11 V

C.当单刀双掷开关与a连接,滑动变阻器触头P向上移动的过程中,电压表的示数不变,电流表的示数变大

D.单刀双掷开关由a扳向b时(滑动变阻器触头P不动),电压表和电流表的示数均变大

查看答案和解析>>

 (2012·乌鲁木齐市高三第二次测试)如图所示,理想变压器原、副线圈的匝数比为10∶1,b是原线圈的中心接头,电压表V和电流表A均为理想电表.从某时刻开始在原线圈cd两端加上交变电压,其瞬时值表达式为u=220sin 100πt(V),则(  )

A.当单刀双掷开关与a连接时,电压表的示数为22 V

B.当单刀双掷开关与b连接时,电压表的示数为11 V

C.当单刀双掷开关与a连接,滑动变阻器触头P向上移动的过程中,电压表的示数不变,电流表的示数变大

D.单刀双掷开关由a扳向b时(滑动变阻器触头P不动),电压表和电流表的示数均变大

查看答案和解析>>

(2011年盐城第一次调研)如图所示,离水平地面一定高处水平固定一内壁光滑的圆筒,筒内固定一轻质弹簧,弹簧处于自然长度.现将一小球从地面以某一初速度斜向上抛出,刚好能水平进入圆筒中,不计空气阻力.下列说法中正确的是(  )

A.弹簧获得的最大弹性势能小于小球抛出时的动能

B.小球从抛出到将弹簧压缩到最短的过程中小球的机械能守恒

C.小球抛出的初速度大小仅与圆筒离地面的高度有关

D.小球从抛出点运动到圆筒口的时间与小球抛出时的角度无关

 

查看答案和解析>>


同步练习册答案